专利数据库
统计分析
产业报告
专利数据监控
产业人才
行业动态
产业政策法规
维权援助
个人中心
详情
文本
图像
标题
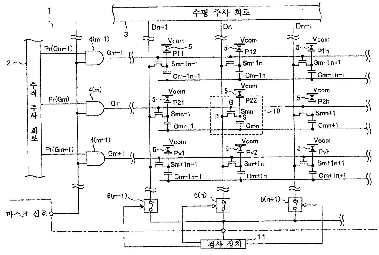
검사 방법, 반도체 장치 및 표시 장치
授权日
1900-01-01
公开(公告)号
KR1020040034563A
申请日
2002-08-02
公开(公告)日
2004-04-28
当前申请(专利权)人
소니 주식회사
发明人
오리이토시히코 | 아키모토오사무 | 아베히토시 | 안도나오키
简单同族
CN1232937C | CN1479911A | EP1414005A1 | EP1414005A4 | JP2003043945A | JP2003043945A5 | JP3707404B2 | KR100839808B1 | KR1020040034563A | US20040032278A1 | US20050200377A1 | US7009418 | US7123044 | WO2003019504A1
简单同族成员数量
14
简单同族被引用专利总数
105
诉讼案件数
0
法律状态/事件
未缴年费
抱歉,您的浏览器不支持PDF预览,请点击链接下载PDF文件