专利数据库
统计分析
产业报告
专利数据监控
产业人才
行业动态
产业政策法规
维权援助
个人中心
详情
文本
图像
标题
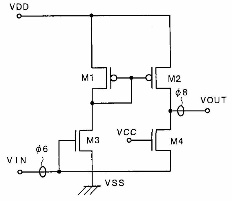
레벨 변환 회로 및 이를 사용한 액정 표시 장치
授权日
1900-01-01
公开(公告)号
KR1020010100794A
申请日
2001-02-22
公开(公告)日
2001-11-14
当前申请(专利权)人
가부시키가이샤 히타치세이사쿠쇼 | 히다치디바이스 엔지니어링가부시키가이샤
发明人
오꾸무라하루히사 | 오데유끼히데
简单同族
JP2001237688A | JP2001237688A5 | JP3734664B2 | KR100420455B1 | KR1020010100794A | TW594632B | US20010017609A1 | US20040004593A1 | US20060077198A1 | US20080273001A1 | US6593920 | US6995757 | US7408544 | US8159486
简单同族成员数量
14
简单同族被引用专利总数
84
诉讼案件数
0
法律状态/事件
未缴年费 | 权利转移
抱歉,您的浏览器不支持PDF预览,请点击链接下载PDF文件