专利数据库
统计分析
产业报告
专利数据监控
产业人才
行业动态
产业政策法规
维权援助
个人中心
详情
文本
图像
标题
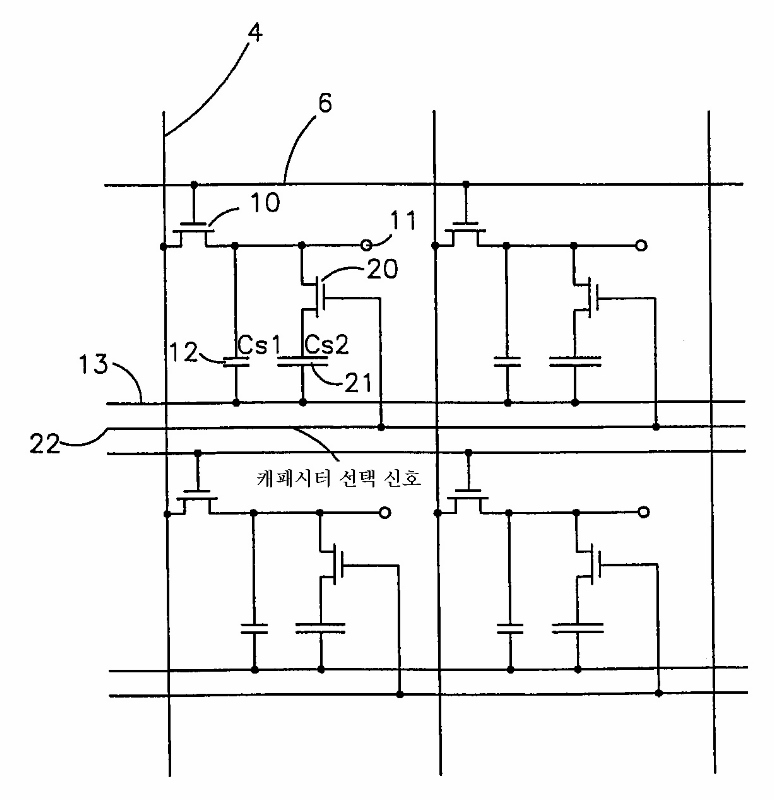
액티브 매트릭스 장치 및 디스플레이 장치
授权日
1900-01-01
公开(公告)号
KR1020020070148A
申请日
2002-02-27
公开(公告)日
2002-09-05
当前申请(专利权)人
샤프 가부시키가이샤
发明人
케른스,그래임앤드류 | 다쉬,까뜨린느로신다마리아르미다 | 브라운로우,마이클제임스 | 가이세야스요시
简单同族
CN1178197C | CN1372242A | DE60207769D1 | DE60207769T2 | EP1239323A1 | EP1239323B1 | GB0104786D0 | GB2372620A | JP2002357850A | JP4140808B2 | KR100443219B1 | KR1020020070148A | US20020154253A1 | US6952244
简单同族成员数量
14
简单同族被引用专利总数
94
诉讼案件数
0
法律状态/事件
放弃
抱歉,您的浏览器不支持PDF预览,请点击链接下载PDF文件