专利数据库
统计分析
产业报告
专利数据监控
产业人才
行业动态
产业政策法规
维权援助
个人中心
详情
文本
图像
标题
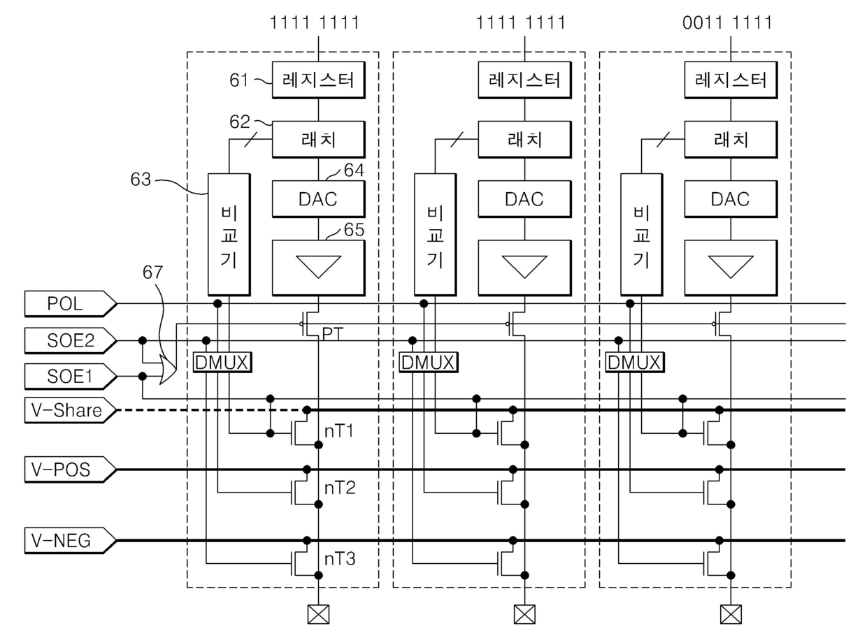
발명의 명칭 액정표시장치와 그 구동방법
授权日
2012-11-07
公开(公告)号
KR101201127B1
申请日
2005-06-28
公开(公告)日
2012-11-13
当前申请(专利权)人
엘지디스플레이 주식회사
发明人
강신호 | 홍진철 | 하성철
简单同族
CN100547459C | CN101556782A | CN101556782B | CN1888952A | JP2007011273A | JP4244228B2 | KR101201127B1 | KR1020070000880A | TW200701177A | TWI277055B | US20060290638A1 | US7683870
简单同族成员数量
12
简单同族被引用专利总数
64
诉讼案件数
0
法律状态/事件
授权
抱歉,您的浏览器不支持PDF预览,请点击链接下载PDF文件