专利数据库
统计分析
产业报告
专利数据监控
产业人才
行业动态
产业政策法规
维权援助
个人中心
详情
文本
图像
标题
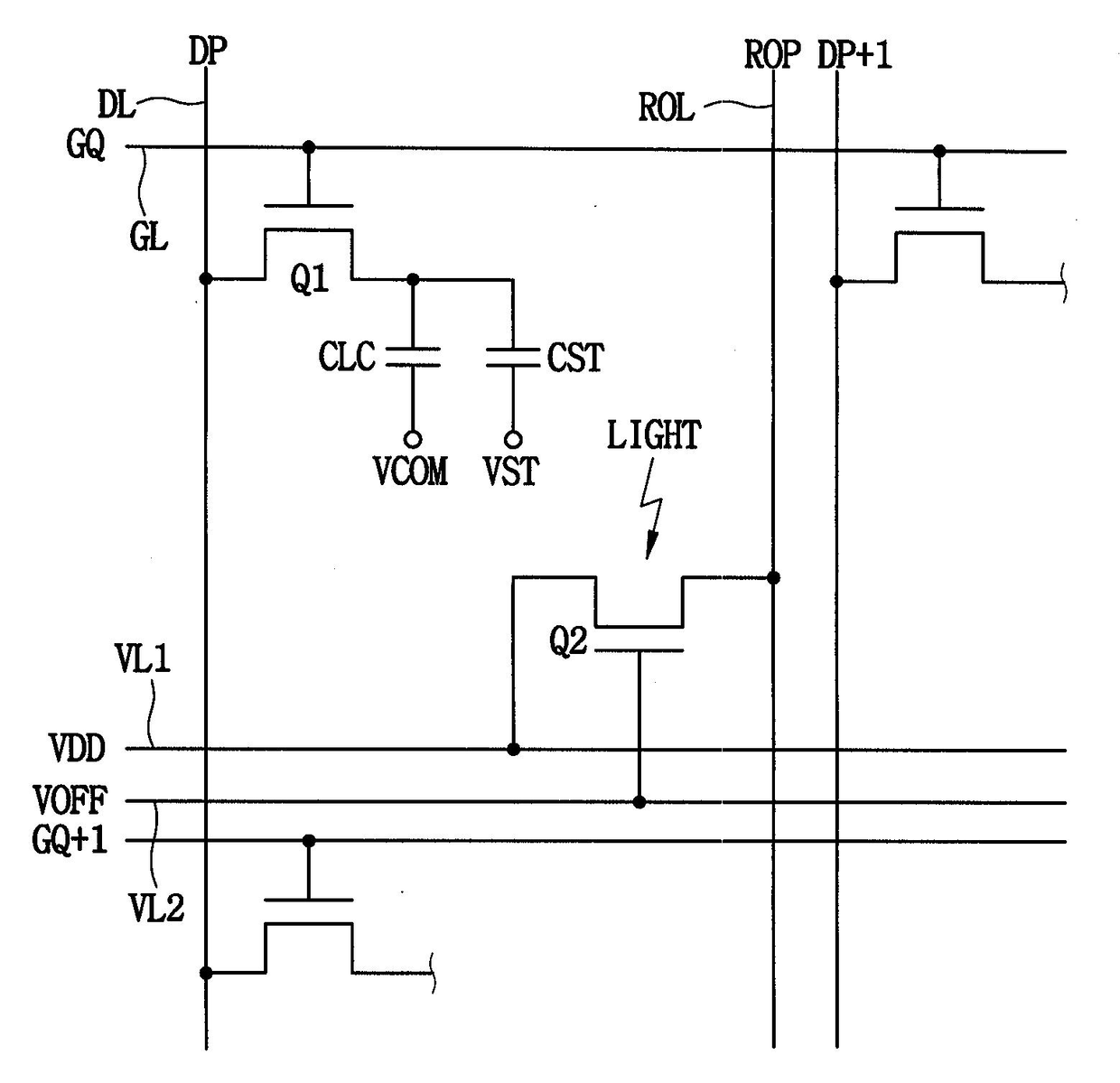
광감지 소자와, 이를 갖는 어레이 기판 및 액정 표시 장치
授权日
2009-10-15
公开(公告)号
KR100923025B1
申请日
2003-10-23
公开(公告)日
2009-10-22
当前申请(专利权)人
삼성전자주식회사
发明人
박상진 | 김형걸 | 어기한 | 조종환 | 전진 | 정영배
简单同族
CN100568072C | CN1637533A | JP2005129948A | JP5044094B2 | KR100923025B1 | KR1020050038987A | TW200532296A | TWI359969B | US20050117079A1 | US20080023735A1 | US20100195032A1 | US7279730 | US7709868 | US8004025
简单同族成员数量
14
简单同族被引用专利总数
129
诉讼案件数
0
法律状态/事件
授权 | 权利转移
抱歉,您的浏览器不支持PDF预览,请点击链接下载PDF文件