专利数据库
统计分析
产业报告
专利数据监控
产业人才
行业动态
产业政策法规
维权援助
个人中心
详情
文本
图像
标题
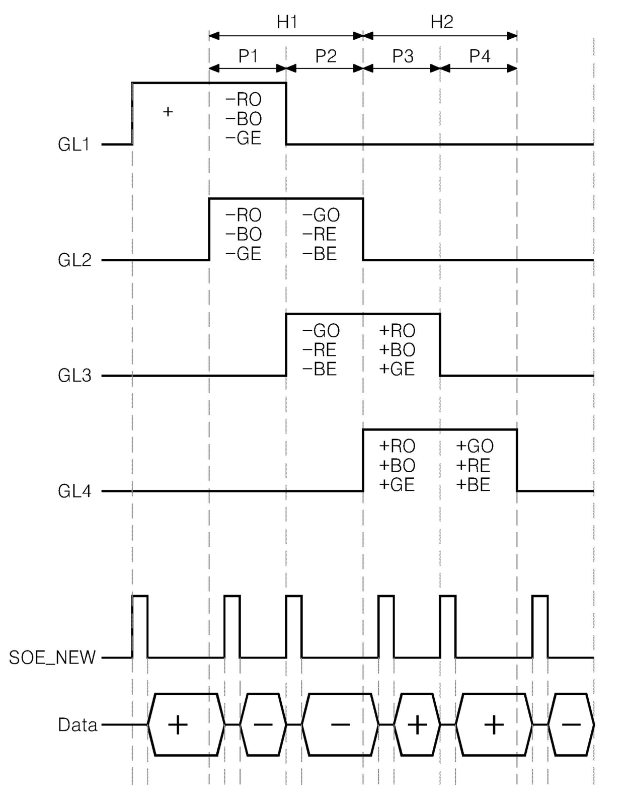
액정표시장치와 그 구동방법
授权日
1900-01-01
公开(公告)号
KR1020070046432A
申请日
2005-10-31
公开(公告)日
2007-05-03
当前申请(专利权)人
엘지디스플레이 주식회사
发明人
신정욱
简单同族
JP2007128035A | KR101211219B1 | KR1020070046432A | US20070097057A1 | US7990357
简单同族成员数量
5
简单同族被引用专利总数
62
诉讼案件数
0
法律状态/事件
授权
抱歉,您的浏览器不支持PDF预览,请点击链接下载PDF文件