专利数据库
统计分析
产业报告
专利数据监控
产业人才
行业动态
产业政策法规
维权援助
个人中心
详情
文本
图像
标题
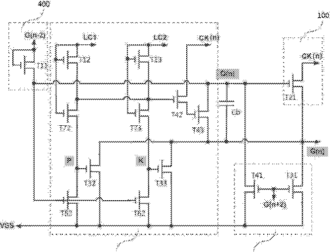
Goa circuit for liquid crystal displaying and display device
授权日
1900-01-01
公开(公告)号
US20150279289A1
申请日
2014-01-03
公开(公告)日
2015-10-01
当前申请(专利权)人
SHENZHEN CHINA STAR OPTOELECTRONICS TECHNOLOGY CO., LTD.
发明人
YU, XIAOJIANG | LEE, CHANGYEH | LAI, TZUCHIEH
简单同族
CN103680451A | CN103680451B | GB2534755A | GB2534755B | JP2017504821A | JP6208872B2 | KR101817027B1 | KR1020160077175A | US20150279289A1 | US9159280 | WO2015089914A1
简单同族成员数量
11
简单同族被引用专利总数
64
诉讼案件数
0
法律状态/事件
授权 | 权利转移
抱歉,您的浏览器不支持PDF预览,请点击链接下载PDF文件