专利数据库
统计分析
产业报告
专利数据监控
产业人才
行业动态
产业政策法规
维权援助
个人中心
详情
文本
图像
标题
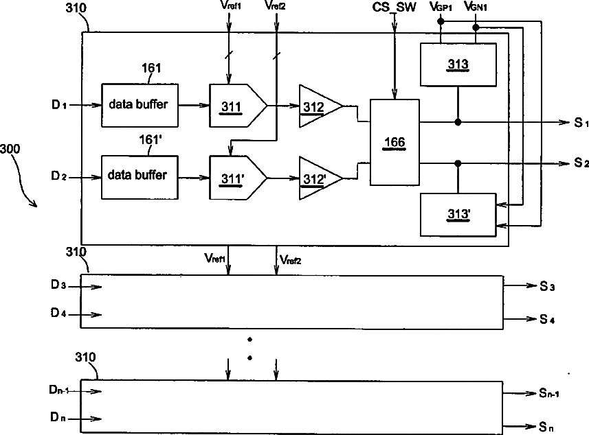
Source driver circuit and driving method for liquid crystal display device
授权日
1900-01-01
公开(公告)号
US20070018939A1
申请日
2005-10-06
公开(公告)日
2007-01-25
当前申请(专利权)人
SUNPLUS TECHNOLOGY CO., LTD.
发明人
CHEN, LIN-CHIEN | JUANG, DAR-CHANG
简单同族
DE102006003406A1 | DE102006003406B4 | GB0524539D0 | GB2428510A | GB2428510B | KR1020070012176A | TW200705372A | TWI295051B | US20070018939A1
简单同族成员数量
9
简单同族被引用专利总数
64
诉讼案件数
0
法律状态/事件
撤回 | 权利转移
抱歉,您的浏览器不支持PDF预览,请点击链接下载PDF文件