专利数据库
统计分析
产业报告
专利数据监控
产业人才
行业动态
产业政策法规
维权援助
个人中心
详情
文本
图像
标题
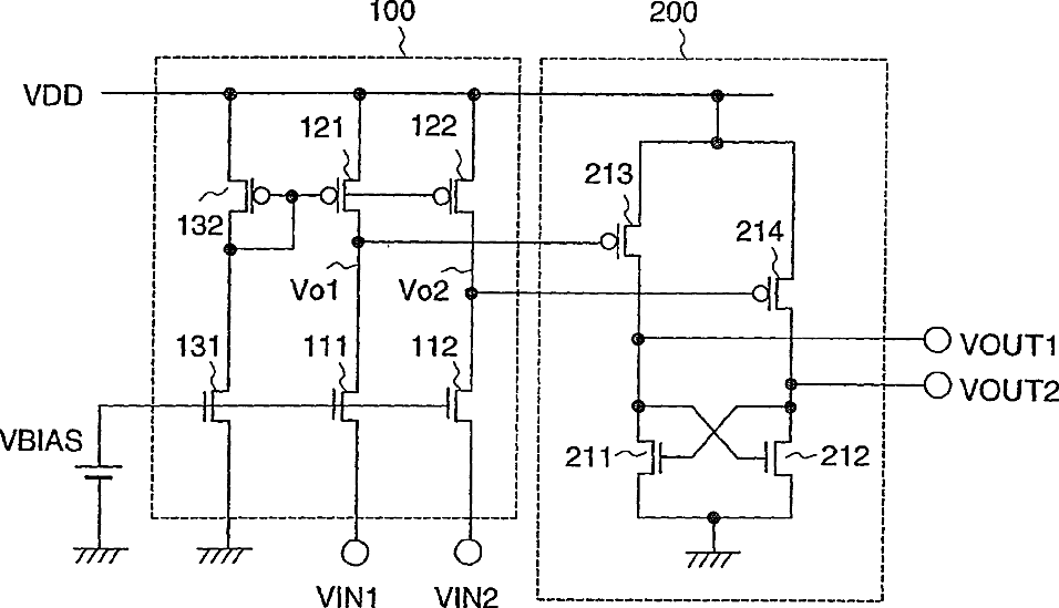
Liquid crystal display apparatus having level conversion circuit
授权日
1900-01-01
公开(公告)号
US20020140660A1
申请日
2002-05-21
公开(公告)日
2002-10-03
当前申请(专利权)人
PANASONIC LIQUID CRYSTAL DISPLAY CO., LTD.
发明人
SATO, HIDEO | MIKAMI, YOSHIRO | KAGEYAMA, HIROSHI | TATSUYA, OHKUBO
简单同族
JP2000010533A | JP3412131B2 | KR100563169B1 | KR1020000006330A | TW436751B | US20020140660A1 | US20040196249A1 | US20060007216A1 | US6392625 | US6714184 | US6919873 | US7460100
简单同族成员数量
12
简单同族被引用专利总数
50
诉讼案件数
0
法律状态/事件
期限届满 | 权利转移
抱歉,您的浏览器不支持PDF预览,请点击链接下载PDF文件