专利数据库
统计分析
产业报告
专利数据监控
产业人才
行业动态
产业政策法规
维权援助
个人中心
详情
文本
图像
标题
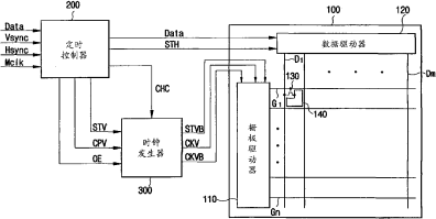
液晶显示装置
授权日
1900-01-01
公开(公告)号
CN101202026A
申请日
2003-08-26
公开(公告)日
2008-06-18
当前申请(专利权)人
三星显示有限公司
发明人
文胜焕
简单同族
AU2003253465A1 | AU2003253465A8 | CN100442343C | CN101202026A | CN101202026B | CN1809862A | JP2006516049A | JP2006516049A5 | JP2011221550A | JP5232956B2 | KR100796298B1 | KR1020040020421A | TW200403606A | TWI344134B | US20040041774A1 | US20080036717A1 | US7327338 | US9153189 | WO2004021322A2 | WO2004021322A3
简单同族成员数量
20
简单同族被引用专利总数
105
诉讼案件数
0
法律状态/事件
授权 | 权利转移
抱歉,您的浏览器不支持PDF预览,请点击链接下载PDF文件