专利数据库
统计分析
产业报告
专利数据监控
产业人才
行业动态
产业政策法规
维权援助
个人中心
详情
文本
图像
标题
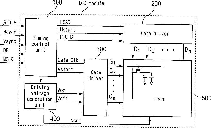
Liquid crystal display using swing common electrode and a method for driving the same
授权日
1900-01-01
公开(公告)号
US20020018035A1
申请日
2001-06-25
公开(公告)日
2002-02-14
当前申请(专利权)人
SAMSUNG DISPLAY CO., LTD.
发明人
SONG, JANG-KUN | CHOI, JOON-HOO
简单同族
JP2002055325A | JP5025047B2 | KR100338012B1 | KR1020020009900A | TW554314B | US20020018035A1 | US7068330
简单同族成员数量
7
简单同族被引用专利总数
89
诉讼案件数
0
法律状态/事件
授权 | 权利转移
抱歉,您的浏览器不支持PDF预览,请点击链接下载PDF文件