专利数据库
统计分析
产业报告
专利数据监控
产业人才
行业动态
产业政策法规
维权援助
个人中心
详情
文本
图像
标题
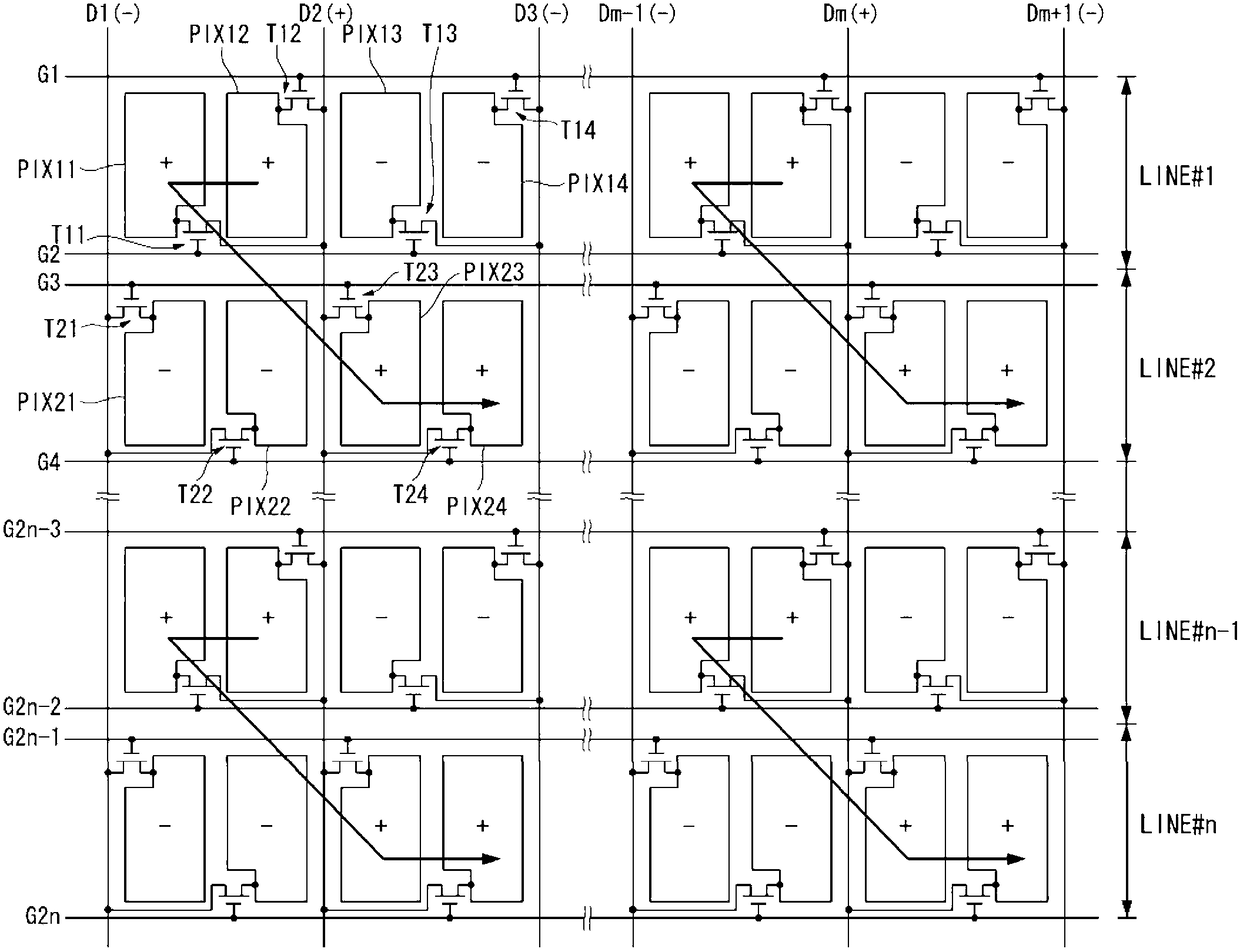
液晶显示器
授权日
1900-01-01
公开(公告)号
CN103065596A
申请日
2010-12-03
公开(公告)日
2013-04-24
当前申请(专利权)人
乐金显示有限公司
发明人
南维成 | 尹世昌 | 朴俊浩 | 李昌德 | 许胜皓 | 吴大惜
简单同族
CN102087842A | CN102087842B | CN103065596A | CN103065596B | EP2355086A1 | EP2458582A1 | JP2011118398A | JP5302292B2 | KR101604140B1 | KR1020110062619A | TW201120866A | TWI444979B | US20110134103A1 | US8773419
简单同族成员数量
14
简单同族被引用专利总数
57
诉讼案件数
0
法律状态/事件
授权
抱歉,您的浏览器不支持PDF预览,请点击链接下载PDF文件