专利数据库
统计分析
产业报告
专利数据监控
产业人才
行业动态
产业政策法规
维权援助
个人中心
详情
文本
图像
标题
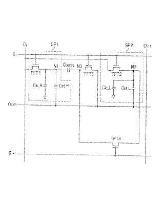
表示装置
授权日
1900-01-01
公开(公告)号
JP2009265615A
申请日
2009-01-29
公开(公告)日
2009-11-12
当前申请(专利权)人
三星ディスプレイ株式會社
发明人
陸 建 鋼 | 金 成 雲 | 李 承 勳 | 金 熙 燮 | 高 春 錫 | 鄭 美 惠 | 成 始 ▲徳▼ | 鄭 光 哲
简单同族
CN101566771A | CN101566771B | JP2009265615A | JP5368125B2 | KR101538320B1 | KR1020090112087A | US20090268112A1 | US7843520
简单同族成员数量
8
简单同族被引用专利总数
89
诉讼案件数
0
法律状态/事件
授权 | 权利转移
抱歉,您的浏览器不支持PDF预览,请点击链接下载PDF文件