专利数据库
统计分析
产业报告
专利数据监控
产业人才
行业动态
产业政策法规
维权援助
个人中心
详情
文本
图像
标题
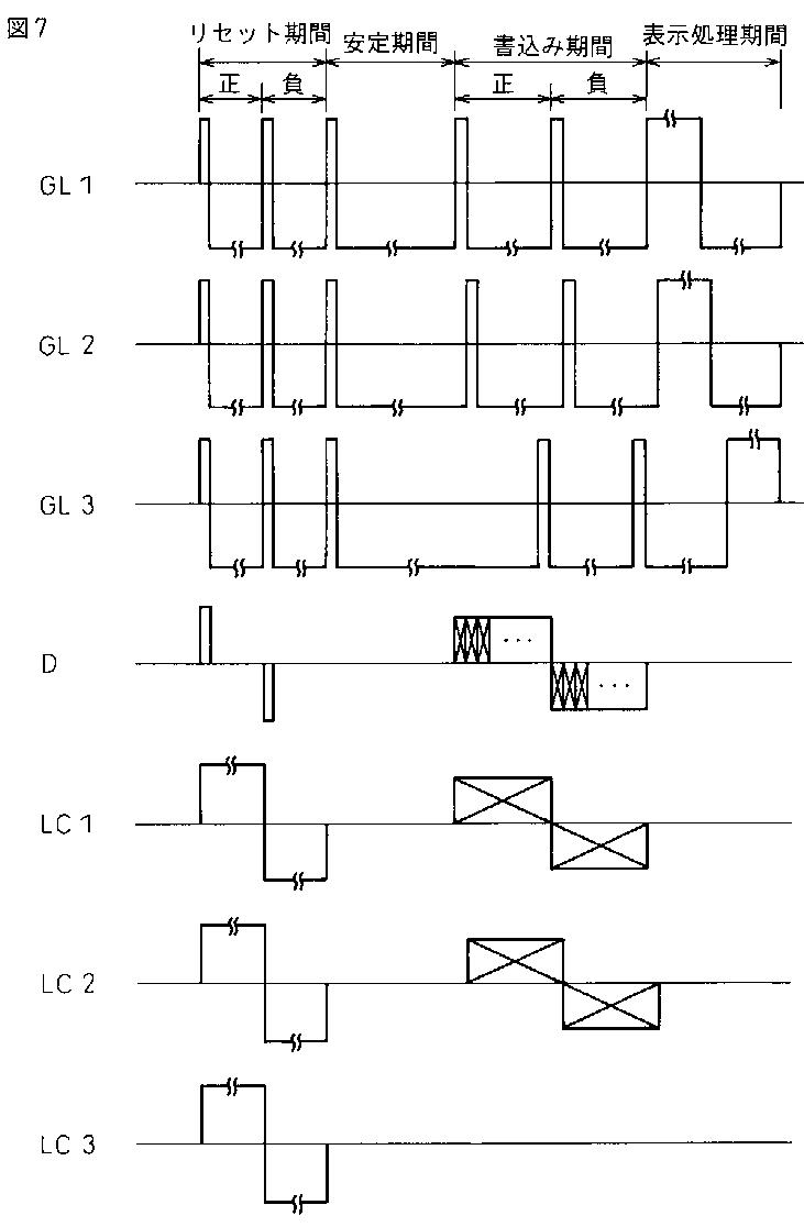
液晶表示装置および液晶表示素子の駆動方法
授权日
1900-01-01
公开(公告)号
JP2012123319A
申请日
2010-12-10
公开(公告)日
2012-06-28
当前申请(专利权)人
富士通株式会社
发明人
吉原 敏明 | 黒崎 義久
简单同族
JP2012123319A
简单同族成员数量
1
简单同族被引用专利总数
0
诉讼案件数
0
法律状态/事件
撤回
抱歉,您的浏览器不支持PDF预览,请点击链接下载PDF文件