专利数据库
统计分析
产业报告
专利数据监控
产业人才
行业动态
产业政策法规
维权援助
个人中心
详情
文本
图像
标题
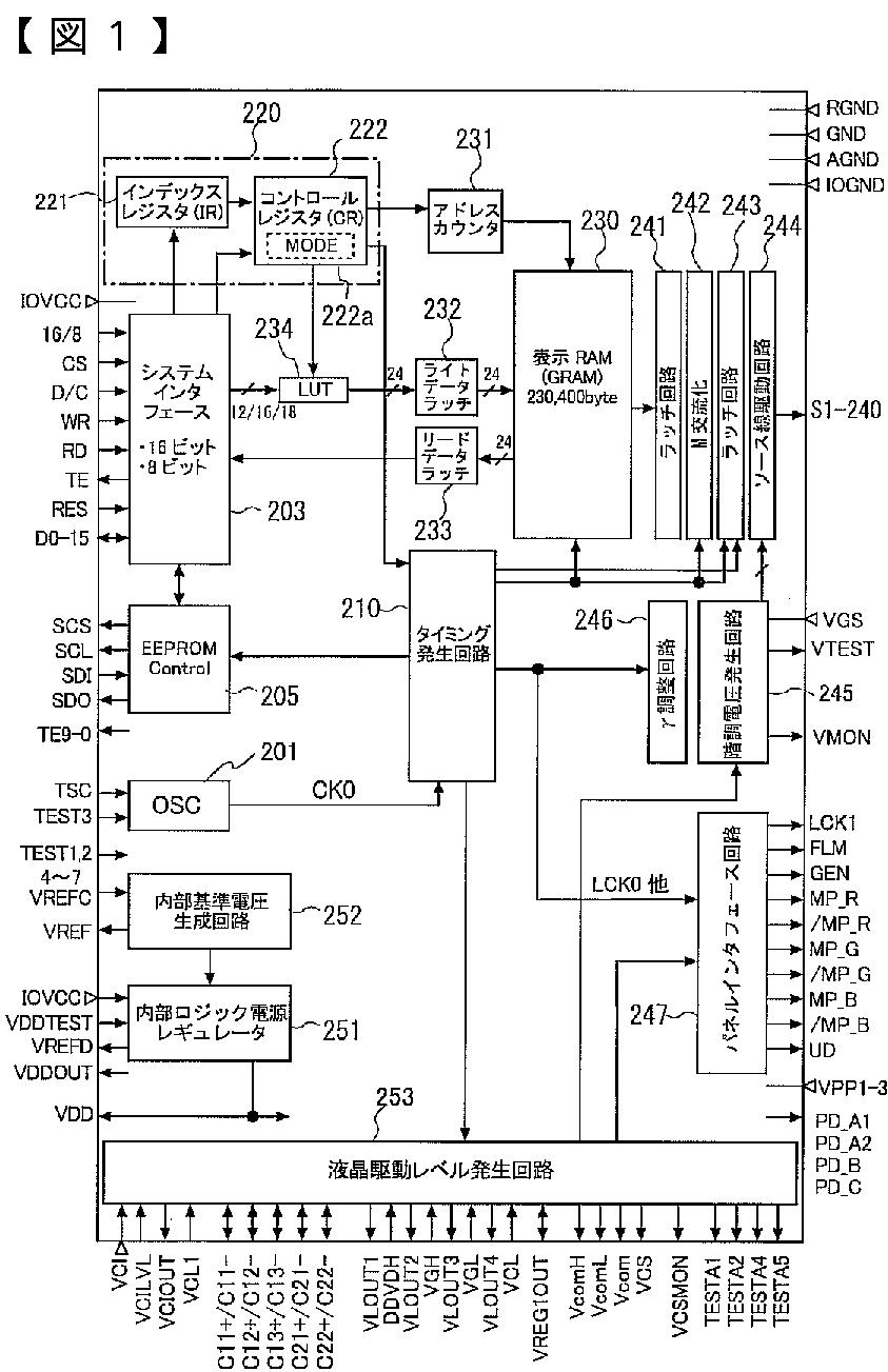
表示制御駆動装置および表示システム
授权日
2011-09-16
公开(公告)号
JP4822406B2
申请日
2005-09-26
公开(公告)日
2011-11-24
当前申请(专利权)人
ルネサスエレクトロニクス株式会社
发明人
岡村 和浩
简单同族
CN1941058A | CN1941058B | JP2007086584A | JP4822406B2 | KR101351203B1 | KR1020070034956A | TW200713184A | US20070070005A1 | US20100194737A1 | US7728832 | US8614702
简单同族成员数量
11
简单同族被引用专利总数
51
诉讼案件数
0
法律状态/事件
授权 | 权利转移
抱歉,您的浏览器不支持PDF预览,请点击链接下载PDF文件