专利数据库
统计分析
产业报告
专利数据监控
产业人才
行业动态
产业政策法规
维权援助
个人中心
详情
文本
图像
标题
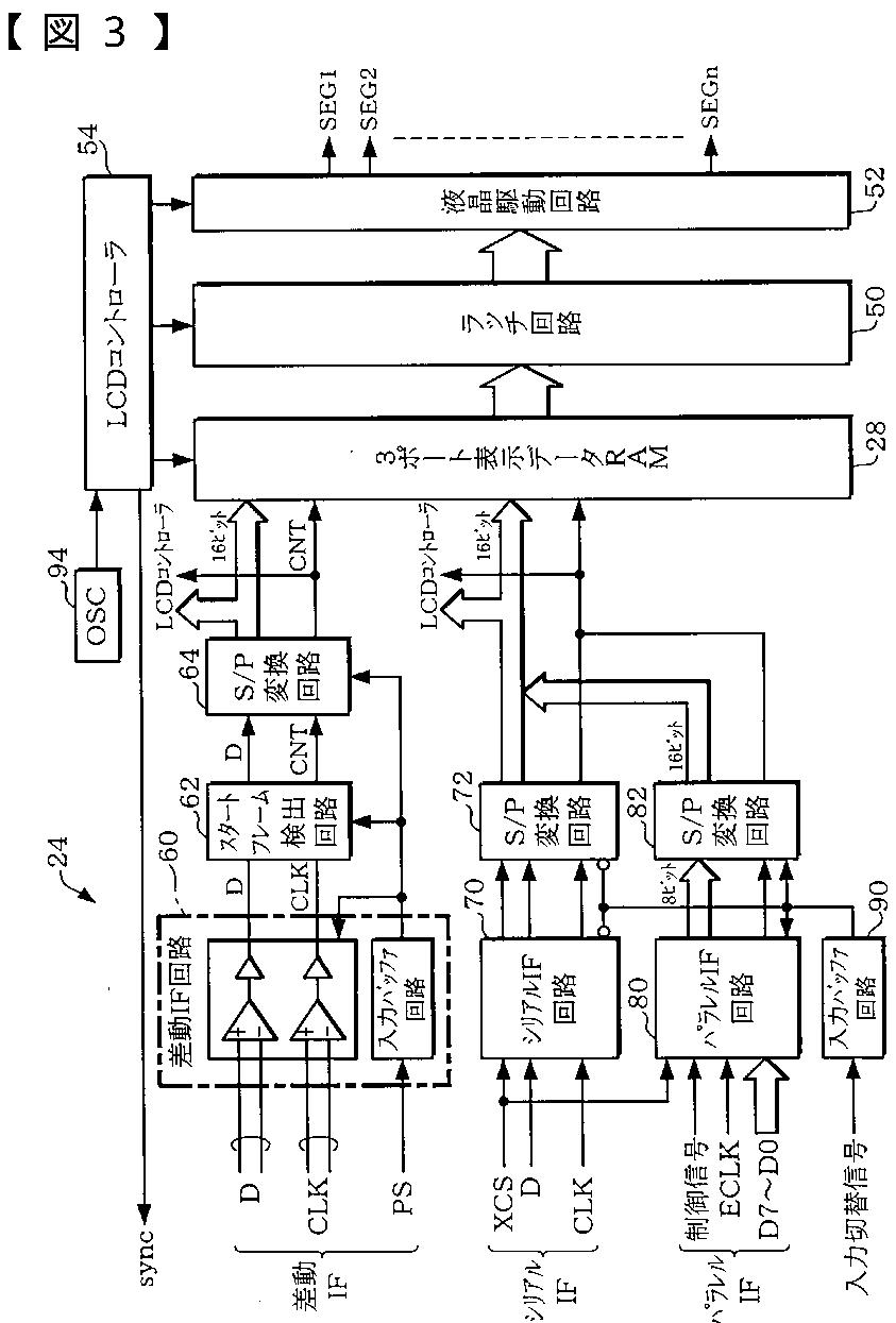
表示コントローラ、表示ユニット及び電子機器
授权日
2006-01-06
公开(公告)号
JP3755585B2
申请日
2001-05-11
公开(公告)日
2006-03-15
当前申请(专利权)人
セイコーエプソン株式会社
发明人
小泉 徳夫
简单同族
CN100380916C | CN101261817A | CN101261817B | CN1385829A | JP2002341831A | JP3755585B2 | US20020186213A1 | US7061459
简单同族成员数量
8
简单同族被引用专利总数
61
诉讼案件数
0
法律状态/事件
未缴年费
抱歉,您的浏览器不支持PDF预览,请点击链接下载PDF文件