专利数据库
统计分析
产业报告
专利数据监控
产业人才
行业动态
产业政策法规
维权援助
个人中心
详情
文本
图像
标题
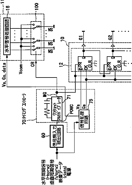
液晶表示装置及びその駆動方法
授权日
1900-01-01
公开(公告)号
JP2001209355A
申请日
2000-01-25
公开(公告)日
2001-08-03
当前申请(专利权)人
日本電気株式会社
发明人
草薙 智宏
简单同族
JP2001209355A | KR100417181B1 | KR1020010078029A | TW512300B | US20010009411A1 | US6961034
简单同族成员数量
6
简单同族被引用专利总数
102
诉讼案件数
0
法律状态/事件
驳回 | 权利转移
抱歉,您的浏览器不支持PDF预览,请点击链接下载PDF文件