专利数据库
统计分析
产业报告
专利数据监控
产业人才
行业动态
产业政策法规
维权援助
个人中心
详情
文本
图像
标题
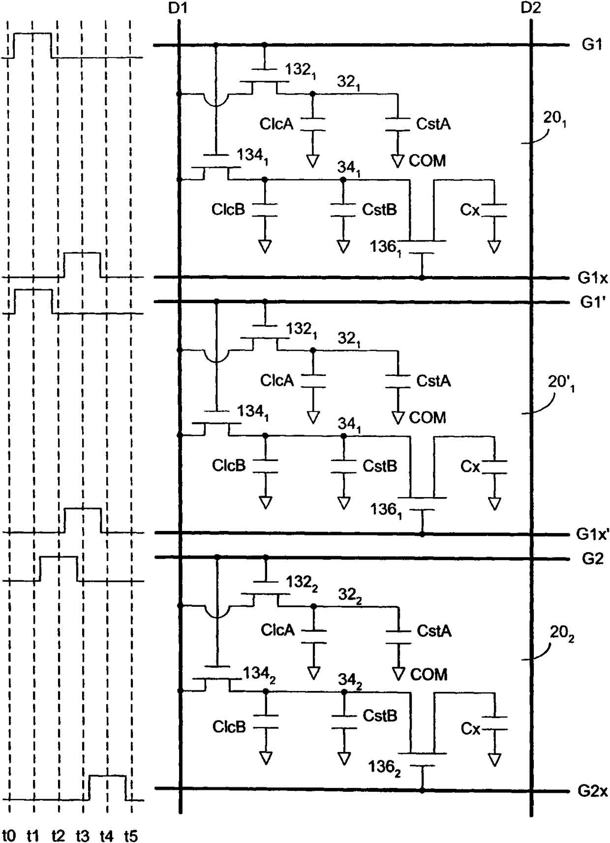
液晶显示面板及其像素列的驱动方法
授权日
2012-04-18
公开(公告)号
CN101819365B
申请日
2010-01-22
公开(公告)日
2012-04-18
当前申请(专利权)人
友达光电股份有限公司
发明人
廖培钧 | 丁天伦 | 徐文浩 | 侯鸿龙
简单同族
CN101819365A | CN101819365B | EP2323124A1 | TW201116911A | TWI393976B | US20110115998A1 | US8854561
简单同族成员数量
7
简单同族被引用专利总数
84
诉讼案件数
0
法律状态/事件
授权
抱歉,您的浏览器不支持PDF预览,请点击链接下载PDF文件