专利数据库
统计分析
产业报告
专利数据监控
产业人才
行业动态
产业政策法规
维权援助
个人中心
详情
文本
图像
标题
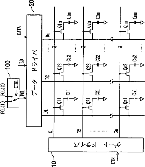
液晶表示パネル駆動回路及び液晶表示器
授权日
1900-01-01
公开(公告)号
JP2002182624A
申请日
2001-10-05
公开(公告)日
2002-06-26
当前申请(专利权)人
友達光電股▼ふん▲有限公司
发明人
蘇 峰正 | 曾 俊卿
简单同族
JP2002182624A | JP3727873B2 | TW499664B | US20020050971A1 | US6590555
简单同族成员数量
5
简单同族被引用专利总数
91
诉讼案件数
0
法律状态/事件
授权
抱歉,您的浏览器不支持PDF预览,请点击链接下载PDF文件