专利数据库
统计分析
产业报告
专利数据监控
产业人才
行业动态
产业政策法规
维权援助
个人中心
详情
文本
图像
标题
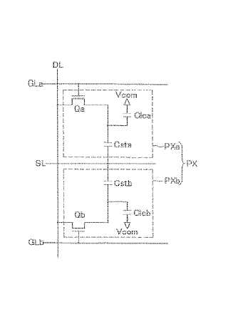
表示装置及びその駆動方法
授权日
1900-01-01
公开(公告)号
JP2006139288A
申请日
2005-11-14
公开(公告)日
2006-06-01
当前申请(专利权)人
三星電子株式会社
发明人
金 相 洙 | 金 東 奎 | 文 勝 煥 | 李 昇 祐 | 白 承 洙
简单同族
JP2006139288A | JP5000124B2 | TW200630924A | TWI401640B | US20060208984A1 | US20110181583A1 | US20140285543A1 | US8810606 | US9058787 | US9390669
简单同族成员数量
10
简单同族被引用专利总数
140
诉讼案件数
0
法律状态/事件
授权 | 权利转移
抱歉,您的浏览器不支持PDF预览,请点击链接下载PDF文件