专利数据库
统计分析
产业报告
专利数据监控
产业人才
行业动态
产业政策法规
维权援助
个人中心
详情
文本
图像
标题
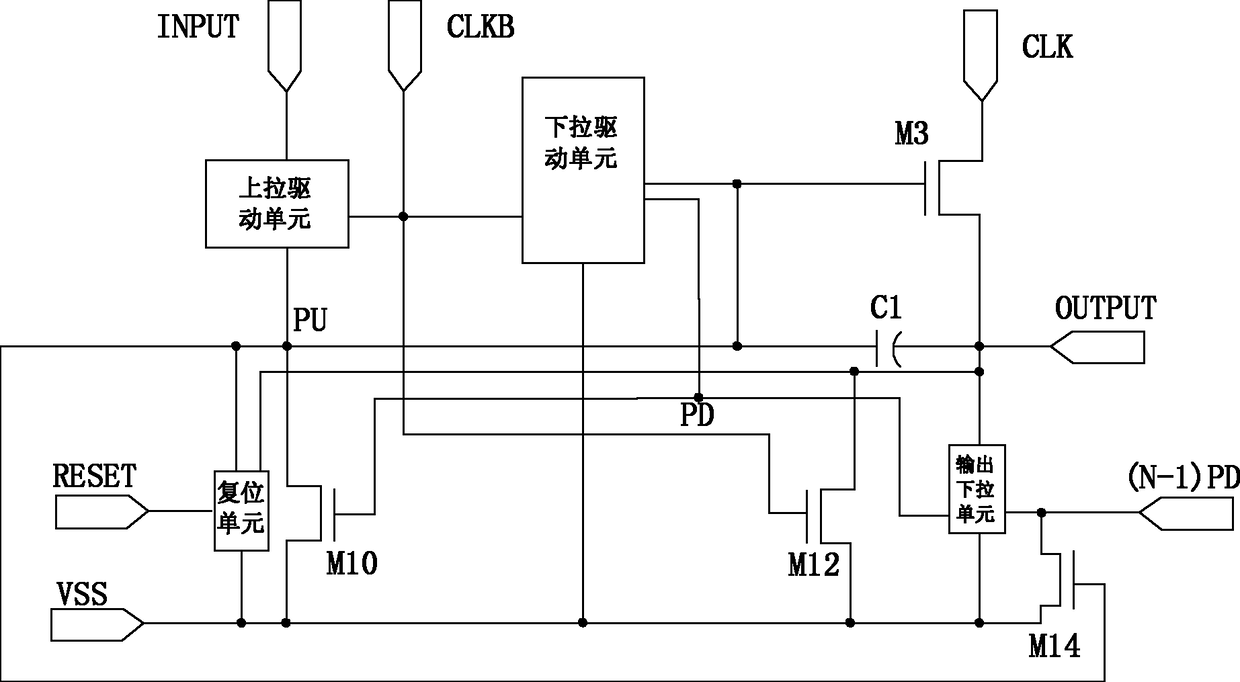
移位寄存器、栅极驱动器及显示装置
授权日
2012-09-19
公开(公告)号
CN202443728U
申请日
2012-03-05
公开(公告)日
2012-09-19
当前申请(专利权)人
京东方科技集团股份有限公司
发明人
张玉婷
简单同族
CN202443728U | US20140240209A1 | US9793004 | WO2013131425A1
简单同族成员数量
4
简单同族被引用专利总数
77
诉讼案件数
0
法律状态/事件
授权
抱歉,您的浏览器不支持PDF预览,请点击链接下载PDF文件