专利数据库
统计分析
产业报告
专利数据监控
产业人才
行业动态
产业政策法规
维权援助
个人中心
详情
文本
图像
标题
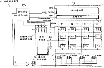
图象显示装置和显示驱动方法
授权日
1900-01-01
公开(公告)号
CN1420482A
申请日
2002-09-25
公开(公告)日
2003-05-28
当前申请(专利权)人
夏普株式会社
发明人
鹫尾一 | 海濑泰佳 | 前田和宏 | 久保田靖
简单同族
CN1265336C | CN1420482A | JP2003173175A | JP4271414B2 | KR100482259B1 | KR1020030026899A | TW558696B | US20030058232A1 | US6940500
简单同族成员数量
9
简单同族被引用专利总数
52
诉讼案件数
0
法律状态/事件
授权
抱歉,您的浏览器不支持PDF预览,请点击链接下载PDF文件