专利数据库
统计分析
产业报告
专利数据监控
产业人才
行业动态
产业政策法规
维权援助
个人中心
详情
文本
图像
标题
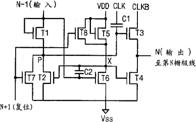
液晶显示装置的驱动电路
授权日
1900-01-01
公开(公告)号
CN1637836A
申请日
2004-12-27
公开(公告)日
2005-07-13
当前申请(专利权)人
海帝士科技公司
发明人
安星俊 | 金天弘 | 柳世钟
简单同族
CN100428323C | CN1637836A | JP2005196158A | KR100705628B1 | KR1020050070554A | TW200521949A | TWI280553B | US20050156858A1
简单同族成员数量
8
简单同族被引用专利总数
61
诉讼案件数
0
法律状态/事件
授权 | 许可
抱歉,您的浏览器不支持PDF预览,请点击链接下载PDF文件