专利数据库
统计分析
产业报告
专利数据监控
产业人才
行业动态
产业政策法规
维权援助
个人中心
详情
文本
图像
标题
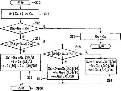
液晶显示器及修改其灰度信号的方法
授权日
1900-01-01
公开(公告)号
CN1625764A
申请日
2002-07-25
公开(公告)日
2005-06-08
当前申请(专利权)人
三星显示有限公司
发明人
李白云
简单同族
AU2002325565A1 | CN100365692C | CN1625764A | JP2004004829A | JP4958382B2 | KR100878267B1 | KR1020030087275A | TW563085B | US20030210217A1 | US20070001955A1 | US7123224 | US7573450 | WO2003096316A1
简单同族成员数量
13
简单同族被引用专利总数
61
诉讼案件数
0
法律状态/事件
未缴年费 | 权利转移
抱歉,您的浏览器不支持PDF预览,请点击链接下载PDF文件