专利数据库
统计分析
产业报告
专利数据监控
产业人才
行业动态
产业政策法规
维权援助
个人中心
详情
文本
图像
标题
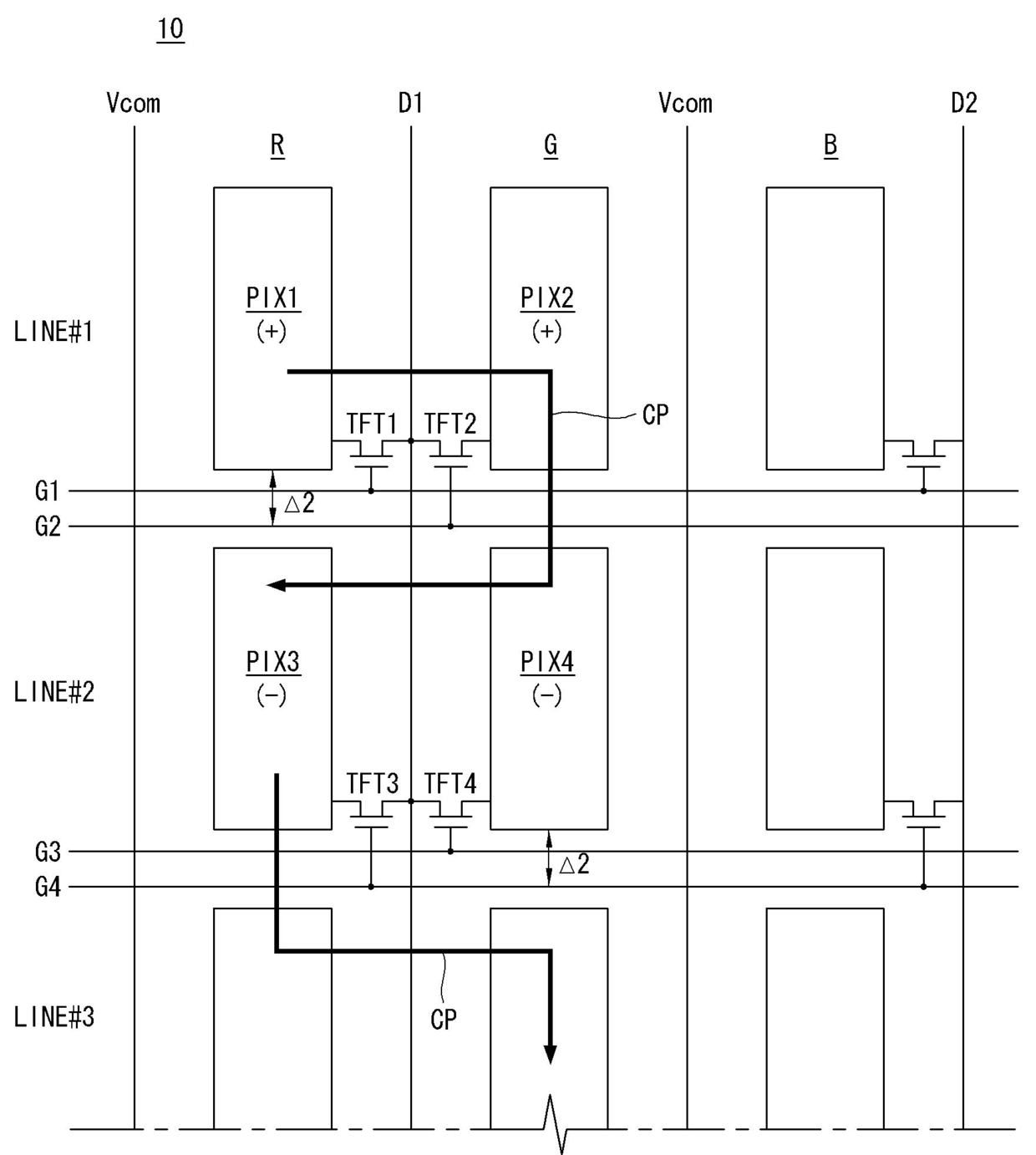
발명의 명칭 액정표시장치
授权日
2014-01-15
公开(公告)号
KR101354406B1
申请日
2008-05-23
公开(公告)日
2014-01-22
当前申请(专利权)人
엘지디스플레이 주식회사
发明人
조석호 | 김범식
简单同族
CN101587270A | CN101587270B | KR101354406B1 | KR1020090122077A | TW200949401A | TWI408473B | US20090290081A1 | US8400383
简单同族成员数量
8
简单同族被引用专利总数
62
诉讼案件数
0
法律状态/事件
授权
抱歉,您的浏览器不支持PDF预览,请点击链接下载PDF文件