专利数据库
统计分析
产业报告
专利数据监控
产业人才
行业动态
产业政策法规
维权援助
个人中心
详情
文本
图像
标题
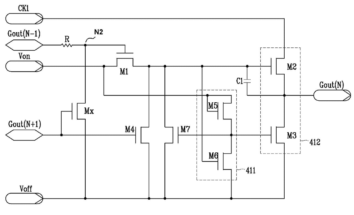
표시 장치의 구동 장치
授权日
1900-01-01
公开(公告)号
KR1020040053639A
申请日
2002-12-17
公开(公告)日
2004-06-24
当前申请(专利权)人
삼성전자주식회사
发明人
문승환
简单同族
CN100507985C | CN1523553A | DE60334675D1 | EP1431953A2 | EP1431953A3 | EP1431953B1 | JP2004199066A | JP2010164982A | JP4943630B2 | JP5253434B2 | KR100910562B1 | KR1020040053639A | TW200501025A | TWI245255B | US20040189584A1 | US7724232
简单同族成员数量
16
简单同族被引用专利总数
99
诉讼案件数
0
法律状态/事件
授权 | 权利转移
抱歉,您的浏览器不支持PDF预览,请点击链接下载PDF文件