专利数据库
统计分析
产业报告
专利数据监控
产业人才
行业动态
产业政策法规
维权援助
个人中心
详情
文本
图像
标题
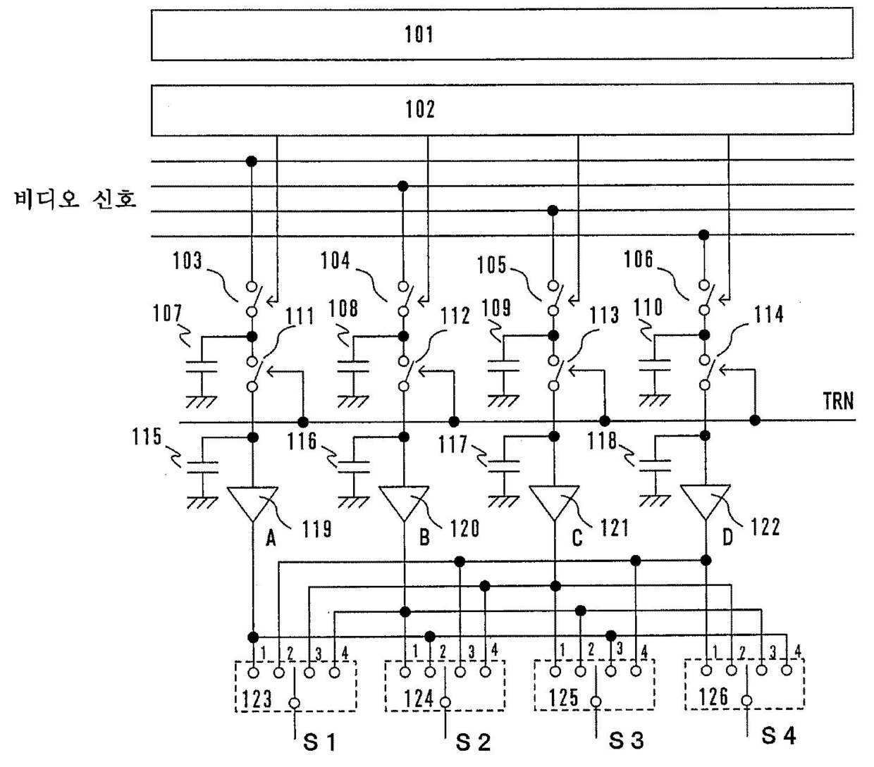
액정 디스플레이 디바이스 및 액정 디스플레이 디바이스구동 방법
授权日
1900-01-01
公开(公告)号
KR1020040020844A
申请日
2003-09-02
公开(公告)日
2004-03-09
当前申请(专利权)人
가부시키가이샤 한도오따이 에네루기 켄큐쇼 | 샤프 가부시키가이샤
发明人
코야마준 | 시오노이리유타카 | 미야키히로유키 | 히라야마야수히로 | 이부열
简单同族
CN100437304C | CN1490654A | JP2004094058A | JP2004094058A5 | KR101012604B1 | KR1020040020844A | US20040041764A1 | US7268756
简单同族成员数量
8
简单同族被引用专利总数
83
诉讼案件数
0
法律状态/事件
放弃
抱歉,您的浏览器不支持PDF预览,请点击链接下载PDF文件