专利数据库
统计分析
产业报告
专利数据监控
产业人才
行业动态
产业政策法规
维权援助
个人中心
详情
文本
图像
标题
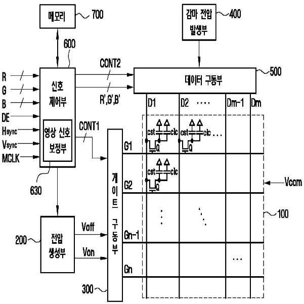
신호 제어 장치 및 이를 포함하는 액정 표시 장치
授权日
1900-01-01
公开(公告)号
KR1020080041895A
申请日
2006-11-08
公开(公告)日
2008-05-14
当前申请(专利权)人
삼성전자주식회사
发明人
YOON, SEONG YONG
简单同族
KR1020080041895A
简单同族成员数量
1
简单同族被引用专利总数
0
诉讼案件数
0
法律状态/事件
撤回
抱歉,您的浏览器不支持PDF预览,请点击链接下载PDF文件