专利数据库
统计分析
产业报告
专利数据监控
产业人才
行业动态
产业政策法规
维权援助
个人中心
详情
文本
图像
标题
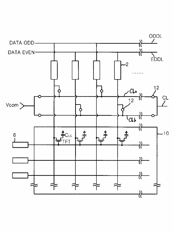
신호라인 검사를 위한 액정표시장치
授权日
2002-09-11
公开(公告)号
KR100353955B1
申请日
2000-12-20
公开(公告)日
2002-09-28
当前申请(专利权)人
엘지디스플레이 주식회사
发明人
권극상 | 방용익
简单同族
KR100353955B1 | KR1020020050037A | US20020075419A1 | US6566902
简单同族成员数量
4
简单同族被引用专利总数
58
诉讼案件数
0
法律状态/事件
授权
抱歉,您的浏览器不支持PDF预览,请点击链接下载PDF文件