专利数据库
统计分析
产业报告
专利数据监控
产业人才
行业动态
产业政策法规
维权援助
个人中心
详情
文本
图像
标题
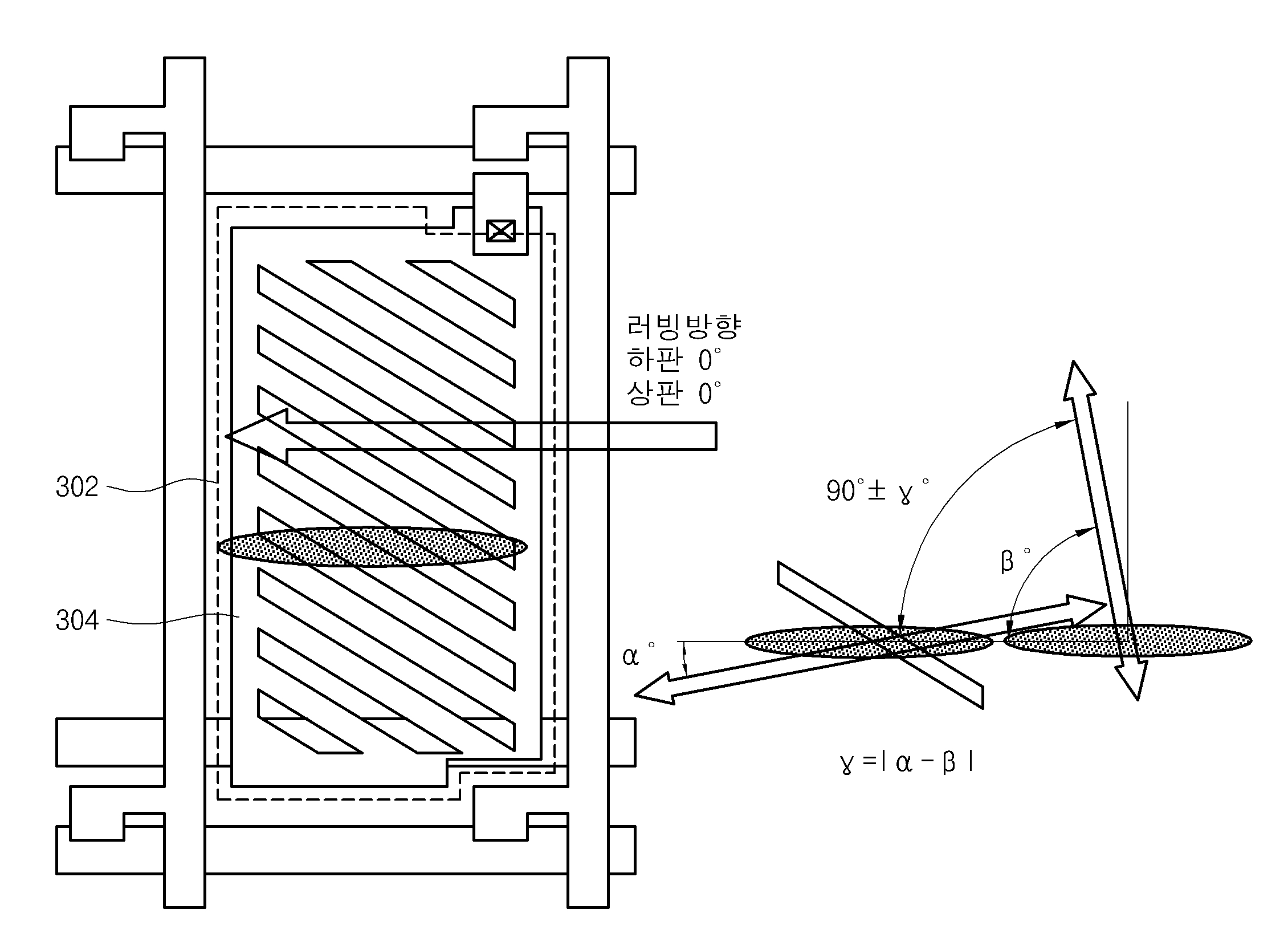
프린지 필드 구동 모드 액정 표시 장치에서의 편광축 및러빙축을 배열하는 방법
授权日
1900-01-01
公开(公告)号
KR1020050081745A
申请日
2004-02-16
公开(公告)日
2005-08-19
当前申请(专利权)人
하이디스 테크놀로지 주식회사
发明人
이경하 | 김귀현
简单同族
CN101354491A | CN101354491B | CN1658038A | JP2005234527A | JP4632118B2 | KR100577799B1 | KR1020050081745A | TW200528817A | TWI269101B | US20050179835A1 | US7161649
简单同族成员数量
11
简单同族被引用专利总数
60
诉讼案件数
0
法律状态/事件
授权 | 权利转移
抱歉,您的浏览器不支持PDF预览,请点击链接下载PDF文件