专利数据库
统计分析
产业报告
专利数据监控
产业人才
行业动态
产业政策法规
维权援助
个人中心
详情
文本
图像
标题
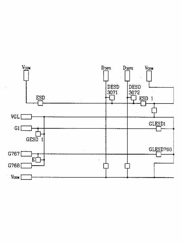
박막 트랜지스터 표시장치의 정전방전 방지회로
授权日
2003-05-26
公开(公告)号
KR100386849B1
申请日
2001-07-10
公开(公告)日
2003-06-09
当前申请(专利权)人
엘지디스플레이 주식회사
发明人
이현규 | 김영구
简单同族
CN1299359C | CN1396656A | DE10228517A1 | DE10228517B4 | JP2003107528A | JP4439163B2 | KR100386849B1 | KR1020030005797A | TW575766B | US20030020845A1 | US6791632
简单同族成员数量
11
简单同族被引用专利总数
168
诉讼案件数
0
法律状态/事件
未缴年费
抱歉,您的浏览器不支持PDF预览,请点击链接下载PDF文件