专利数据库
统计分析
产业报告
专利数据监控
产业人才
行业动态
产业政策法规
维权援助
个人中心
详情
文本
图像
标题
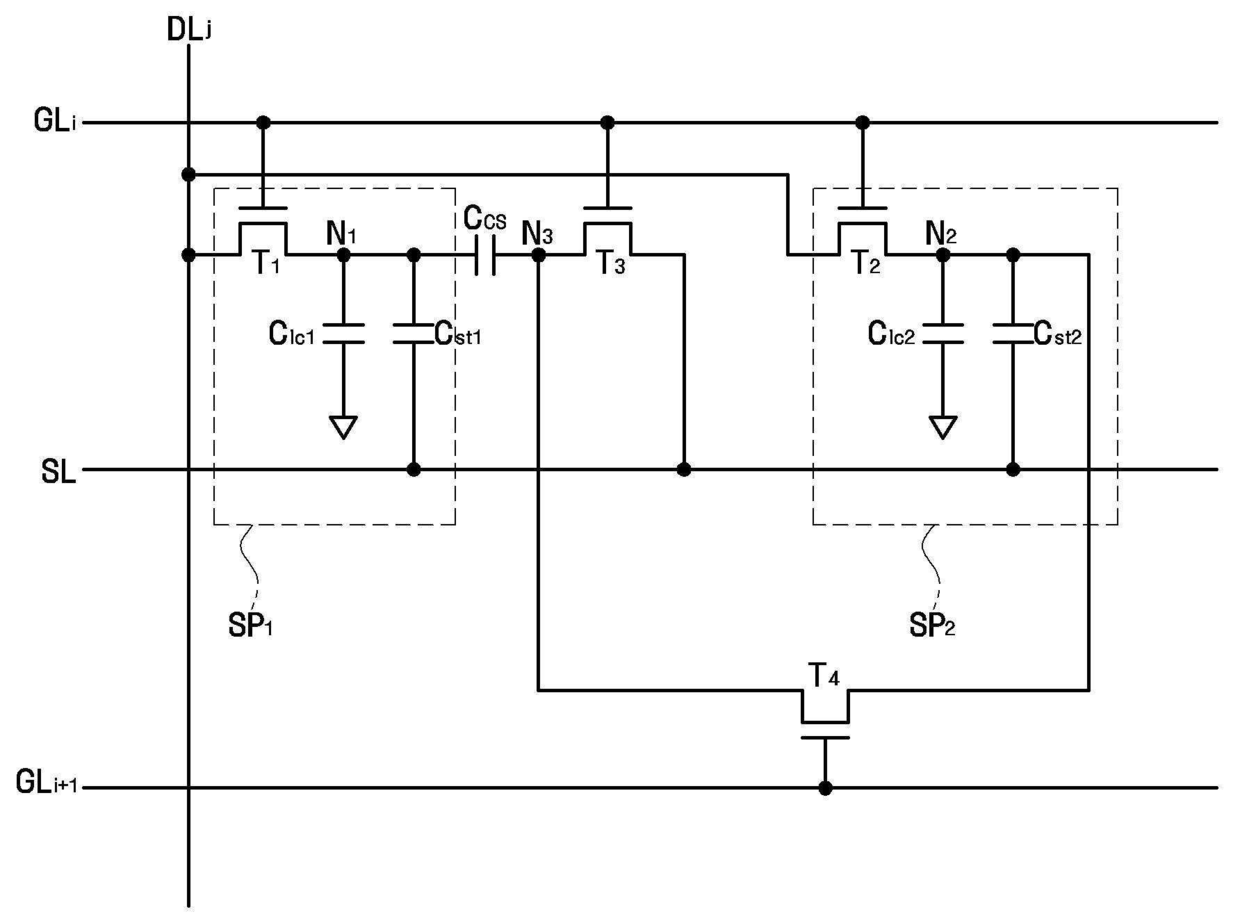
발명의 명칭 액정 표시 장치
授权日
2014-02-27
公开(公告)号
KR101371604B1
申请日
2007-11-26
公开(公告)日
2014-03-06
当前申请(专利权)人
삼성디스플레이 주식회사
发明人
양영철 | 루지안강 | 이승훈
简单同族
CN101446723A | CN101446723B | CN102662285A | CN102662285B | JP2009128900A | JP2014063169A | JP5396039B2 | JP5814323B2 | KR101371604B1 | KR1020090054300A | US20090135323A1 | US20110267554A1 | US7995155 | US9134581
简单同族成员数量
14
简单同族被引用专利总数
75
诉讼案件数
0
法律状态/事件
授权
抱歉,您的浏览器不支持PDF预览,请点击链接下载PDF文件