专利数据库
统计分析
产业报告
专利数据监控
产业人才
行业动态
产业政策法规
维权援助
个人中心
详情
文本
图像
标题
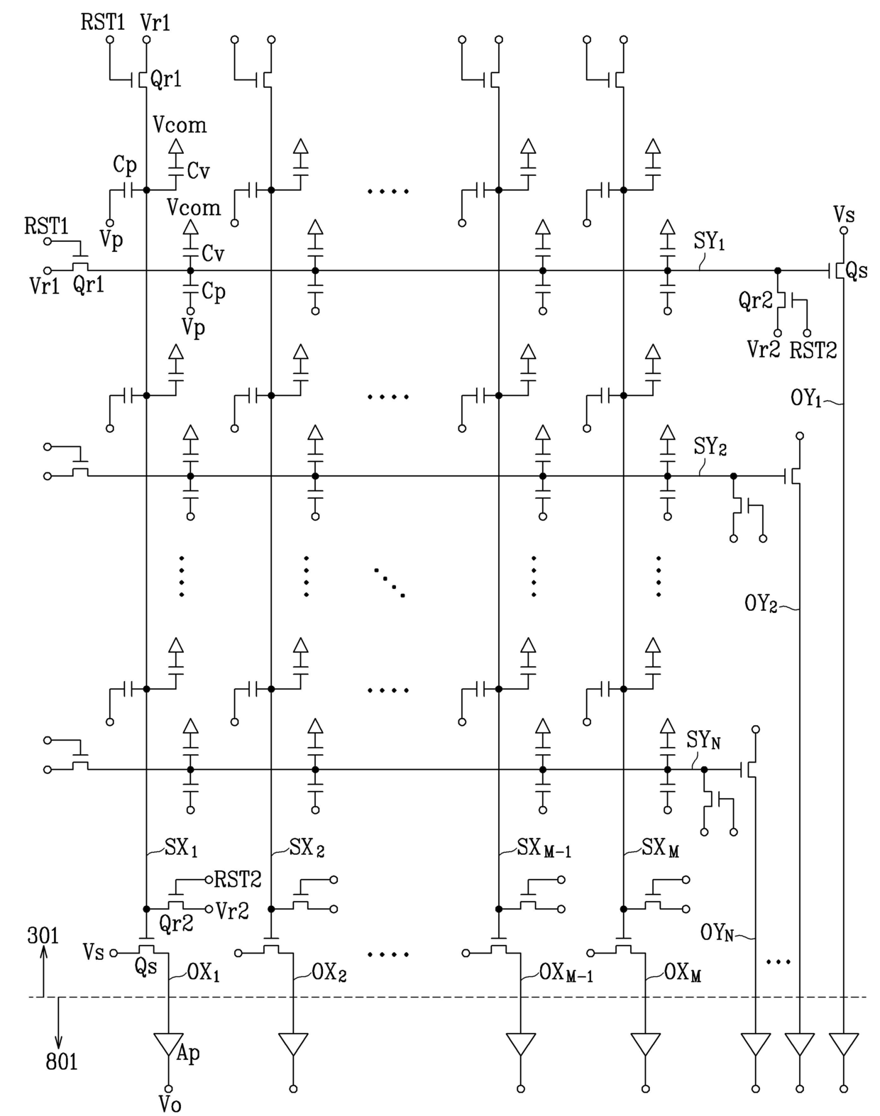
접촉 감지 기능이 있는 표시 장치
授权日
1900-01-01
公开(公告)号
KR1020070044990A
申请日
2005-10-26
公开(公告)日
2007-05-02
当前申请(专利权)人
삼성전자주식회사
发明人
박상진 | 이주형 | 이명우
简单同族
CN1955823A | CN1955823B | JP2007122733A | JP4974141B2 | KR101152136B1 | KR1020070044990A | US20070091013A1 | US20120013572A1 | US8054261
简单同族成员数量
9
简单同族被引用专利总数
81
诉讼案件数
0
法律状态/事件
授权 | 权利转移
抱歉,您的浏览器不支持PDF预览,请点击链接下载PDF文件