专利数据库
统计分析
产业报告
专利数据监控
产业人才
行业动态
产业政策法规
维权援助
个人中心
详情
文本
图像
标题
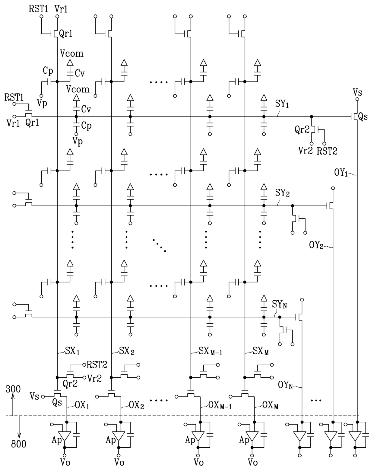
표시 장치 및 액정 표시 장치
授权日
1900-01-01
公开(公告)号
KR1020070078522A
申请日
2006-01-27
公开(公告)日
2007-08-01
当前申请(专利权)人
삼성전자주식회사
发明人
이주형 | 김형걸 | 박상진
简单同族
CN101008729A | CN101008729B | EP1814018A2 | EP1814018A3 | JP2007199724A | JP2007199724A5 | KR1020070078522A | TW200733036A | US20070176868A1
简单同族成员数量
9
简单同族被引用专利总数
70
诉讼案件数
0
法律状态/事件
驳回
抱歉,您的浏览器不支持PDF预览,请点击链接下载PDF文件