专利数据库
统计分析
产业报告
专利数据监控
产业人才
行业动态
产业政策法规
维权援助
个人中心
详情
文本
图像
标题
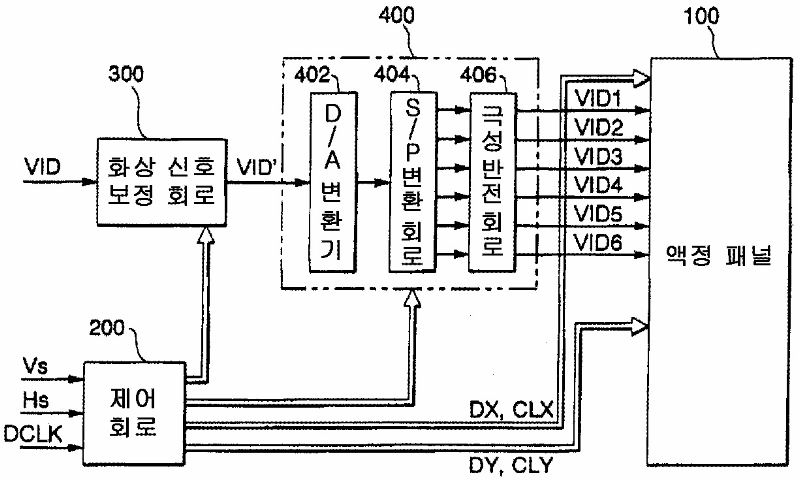
액정 표시 장치용 화상 신호 보정 회로, 그 보정 방법,액정 표시 장치 및 전자기기
授权日
1900-01-01
公开(公告)号
KR1020020036684A
申请日
2001-10-04
公开(公告)日
2002-05-16
当前申请(专利权)人
세이코 엡슨 가부시키가이샤
发明人
AOKI,TORU
简单同族
CN1160687C | CN1347072A | JP2002182622A | JP3520863B2 | KR100433325B1 | KR1020020036684A | TW525111B | US20020044126A1 | US6778157
简单同族成员数量
9
简单同族被引用专利总数
66
诉讼案件数
0
法律状态/事件
未缴年费
抱歉,您的浏览器不支持PDF预览,请点击链接下载PDF文件