专利数据库
统计分析
产业报告
专利数据监控
产业人才
行业动态
产业政策法规
维权援助
个人中心
详情
文本
图像
标题
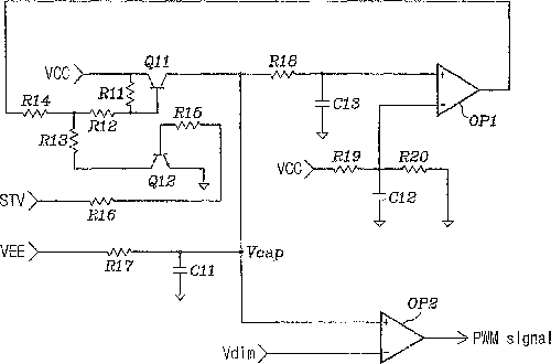
Inverter for liquid crystal display
授权日
2015-07-14
公开(公告)号
US9082369
申请日
2014-05-12
公开(公告)日
2015-07-14
当前申请(专利权)人
SAMSUNG DISPLAY CO., LTD.
发明人
MIN, WOONG-KYU | JANG, HYEON-YONG
简单同族
CN100504528C | CN1499248A | JP2004126567A | JP2010287575A | JP4970704B2 | JP5635313B2 | TW200405765A | TW201031270A | TWI396469B | TWI418249B | US20040056825A1 | US20080198183A1 | US20140247205A1 | US7417616 | US8723780 | US9082369
简单同族成员数量
16
简单同族被引用专利总数
90
诉讼案件数
0
法律状态/事件
未缴年费
抱歉,您的浏览器不支持PDF预览,请点击链接下载PDF文件