专利数据库
统计分析
产业报告
专利数据监控
产业人才
行业动态
产业政策法规
维权援助
个人中心
详情
文本
图像
标题
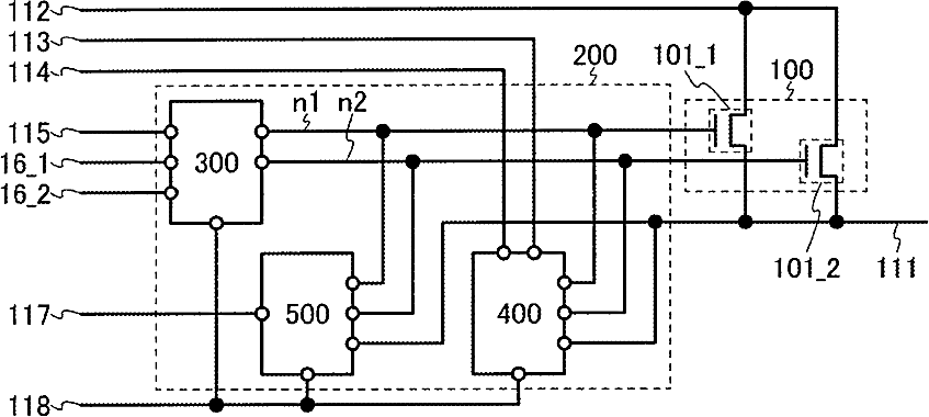
Liquid crystal display device and electronic device including the same
授权日
1900-01-01
公开(公告)号
US20150042918A1
申请日
2014-10-24
公开(公告)日
2015-02-12
当前申请(专利权)人
SEMICONDUCTOR ENERGY LABORATORY CO., LTD.
发明人
KIMURA, HAJIME | UMEZAKI, ATSUSHI
简单同族
JP2010252318A | JP2010252318A5 | JP2014197679A | JP2016012725A | JP2016096360A | JP2017038370A | JP2017038370A5 | JP2017097945A | JP2017182868A | JP2018101459A | JP5528872B2 | JP5778821B2 | JP5997812B2 | JP6067897B2 | JP6140880B2 | JP6178474B2 | JP6309670B2 | JP6676683B2 | US10460690 | US20100245307A1 | US20150042918A1 | US20160163743A1 | US20170162161A1 | US20200118510A1 | US8872751 | US9268185 | US9576983
简单同族成员数量
27
简单同族被引用专利总数
61
诉讼案件数
0
法律状态/事件
授权 | 权利转移
抱歉,您的浏览器不支持PDF预览,请点击链接下载PDF文件