专利数据库
统计分析
产业报告
专利数据监控
产业人才
行业动态
产业政策法规
维权援助
个人中心
详情
文本
图像
标题
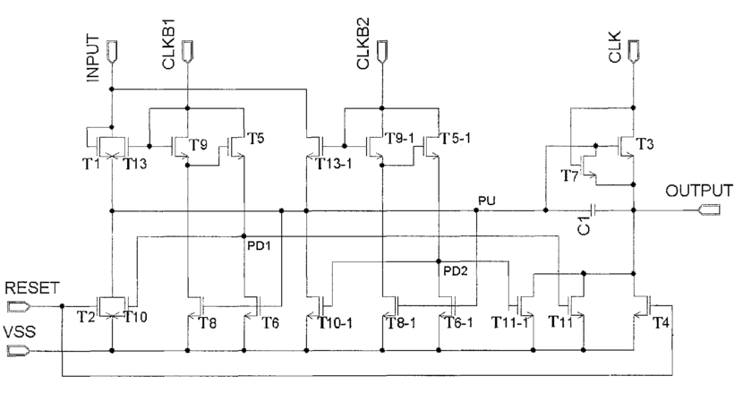
Shift register, gate driving device and data line driving device for liquid crystal display
授权日
2014-05-27
公开(公告)号
US8736537
申请日
2011-04-20
公开(公告)日
2014-05-27
当前申请(专利权)人
BEIJING BOE OPTOELECTRONICS TECHNOLOGY CO., LTD.
发明人
HAN, SEUNG WOO | SHANG, GUANGLIANG
简单同族
CN102237029A | CN102237029B | EP2562761A1 | EP2562761A4 | EP2562761B1 | JP2013530478A | JP6114183B2 | KR101365233B1 | KR1020120028333A | US20120113088A1 | US8736537 | WO2011131130A1
简单同族成员数量
12
简单同族被引用专利总数
70
诉讼案件数
0
法律状态/事件
授权 | 权利转移
抱歉,您的浏览器不支持PDF预览,请点击链接下载PDF文件