专利数据库
统计分析
产业报告
专利数据监控
产业人才
行业动态
产业政策法规
维权援助
个人中心
详情
文本
图像
标题
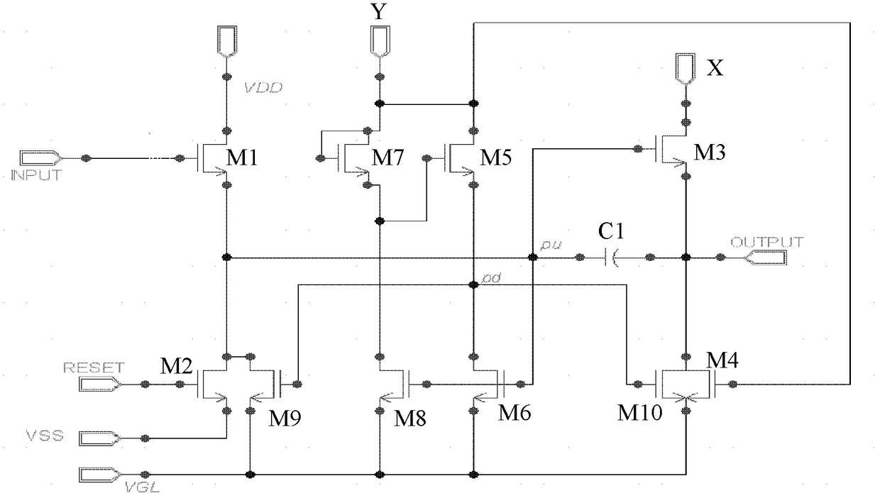
栅极集成驱动电路、移位寄存器及显示屏
授权日
2014-06-25
公开(公告)号
CN102629444B
申请日
2011-08-22
公开(公告)日
2014-06-25
当前申请(专利权)人
北京京东方光电科技有限公司
发明人
陈希
简单同族
CN102629444A | CN102629444B | EP2750122A1 | EP2750122A4 | JP2014524598A | JP6227530B2 | KR101443126B1 | KR1020130043637A | US20130088265A1 | WO2013026387A1
简单同族成员数量
10
简单同族被引用专利总数
117
诉讼案件数
0
法律状态/事件
授权
抱歉,您的浏览器不支持PDF预览,请点击链接下载PDF文件