专利数据库
统计分析
产业报告
专利数据监控
产业人才
行业动态
产业政策法规
维权援助
个人中心
详情
文本
图像
标题
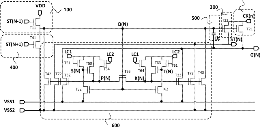
Goa circuit and liquid crystal display device applied to liquid crystal displays
授权日
1900-01-01
公开(公告)号
US20160140922A1
申请日
2014-11-27
公开(公告)日
2016-05-19
当前申请(专利权)人
SHENZHEN CHINA STAR OPTOELECTRONICS TECHNOLOGY CO., LTD.
发明人
DAI, CHAO | LAI, TZU-CHIEH
简单同族
CN104376824A | DE112014007171T5 | EA031969B1 | EA201791052A1 | EA31969B1 | GB201709230D0 | GB2548282A | JP2017534924A | JP6434620B2 | KR1020170083120A | KR102044547B1 | US20160140922A1 | US9460676 | WO2016074283A1
简单同族成员数量
14
简单同族被引用专利总数
73
诉讼案件数
0
法律状态/事件
授权 | 权利转移
抱歉,您的浏览器不支持PDF预览,请点击链接下载PDF文件