专利数据库
统计分析
产业报告
专利数据监控
产业人才
行业动态
产业政策法规
维权援助
个人中心
详情
文本
图像
标题
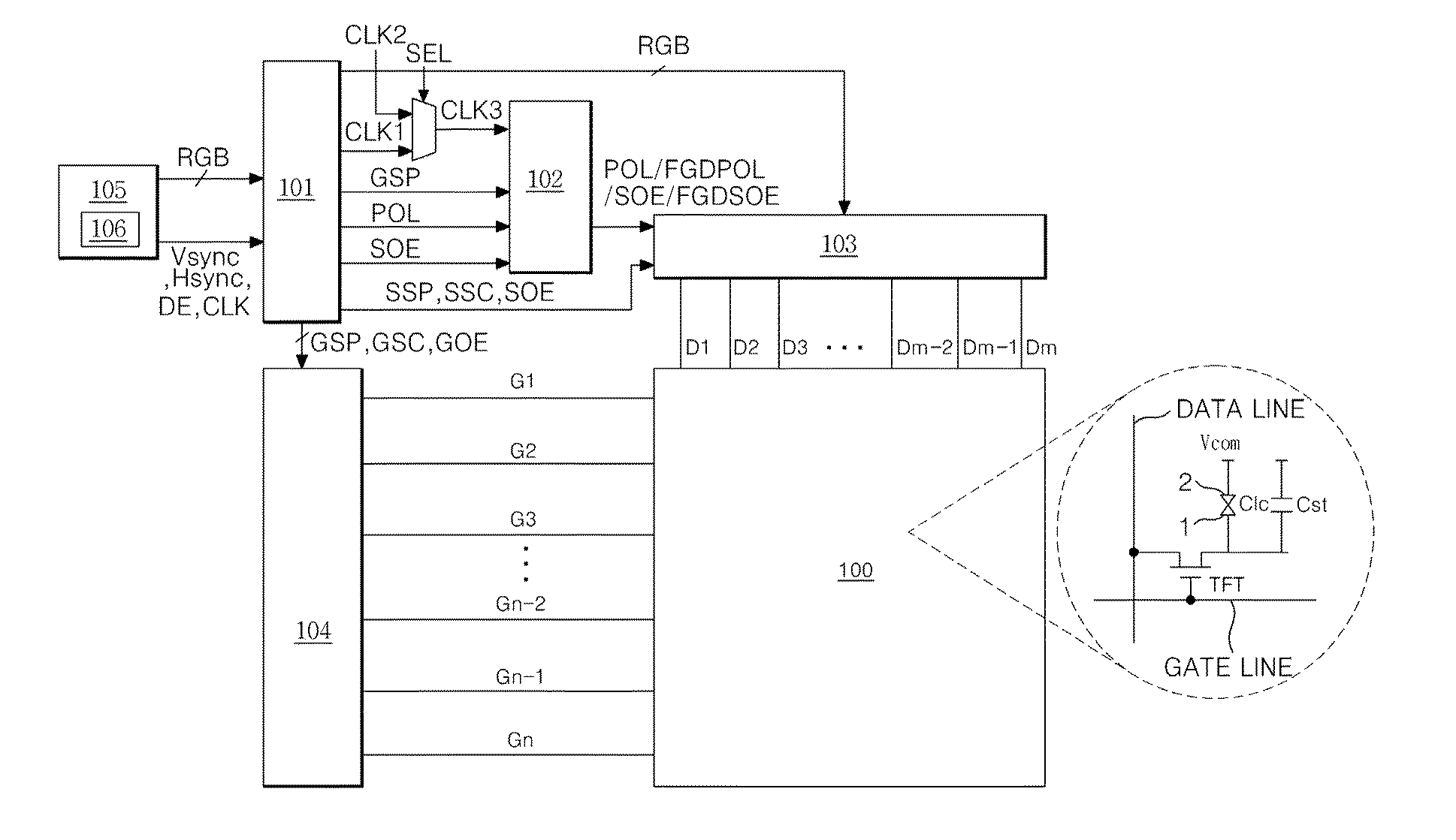
Liquid crystal display and driving method thereof
授权日
1900-01-01
公开(公告)号
US20110169797A1
申请日
2011-03-18
公开(公告)日
2011-07-14
当前申请(专利权)人
LG DISPLAY CO., LTD.
发明人
SONG, HONG SUNG | MIN, WOONG KI | CHOI, BYUNG JIN | KIM, DONG II | JANG, SU HYUK
简单同族
JP2008170994A | JP2011215637A | JP5348884B2 | JP5357932B2 | US20080170024A1 | US20110169797A1 | US7932884 | US8446395
简单同族成员数量
8
简单同族被引用专利总数
81
诉讼案件数
0
法律状态/事件
授权
抱歉,您的浏览器不支持PDF预览,请点击链接下载PDF文件