专利数据库
统计分析
产业报告
专利数据监控
产业人才
行业动态
产业政策法规
维权援助
个人中心
详情
文本
图像
标题
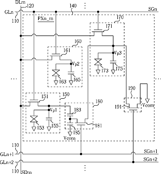
Liquid crystal display and display driving method thereof
授权日
1900-01-01
公开(公告)号
US20130100108A1
申请日
2012-04-22
公开(公告)日
2013-04-25
当前申请(专利权)人
AU OPTRONICS CORP.
发明人
CHIANG, CHIA-LUN | HUANG, YU-SHENG | CHEN, YAN-CIAO | TSAI, MENG-JU
简单同族
CN102436105A | CN102436105B | TW201317966A | TWI428901B | US20130100108A1 | US9070336
简单同族成员数量
6
简单同族被引用专利总数
51
诉讼案件数
0
法律状态/事件
授权 | 权利转移
抱歉,您的浏览器不支持PDF预览,请点击链接下载PDF文件