专利数据库
统计分析
产业报告
专利数据监控
产业人才
行业动态
产业政策法规
维权援助
个人中心
详情
文本
图像
标题
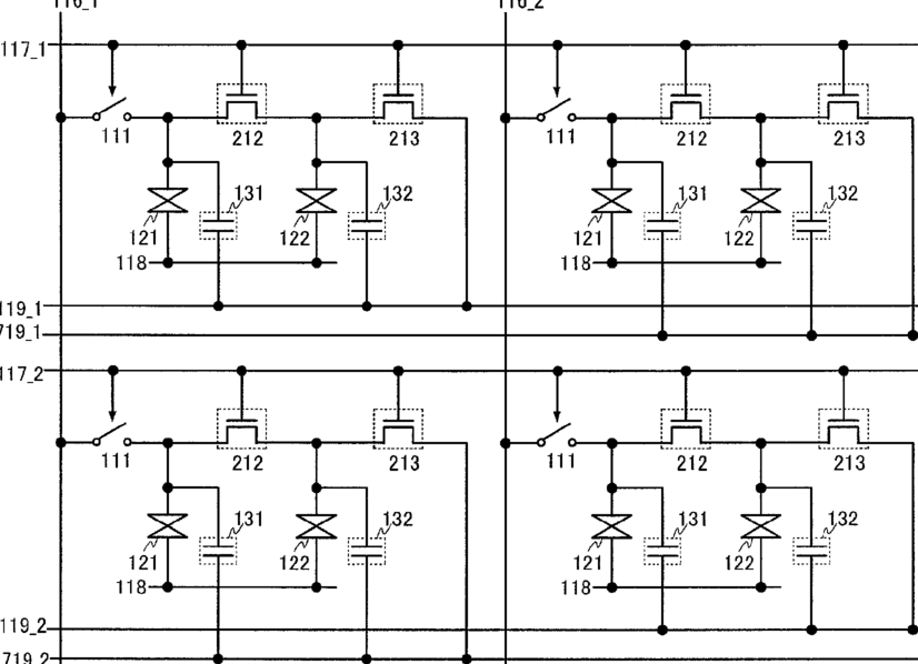
Liquid Crystal Display Device
授权日
1900-01-01
公开(公告)号
US20110170029A1
申请日
2011-03-22
公开(公告)日
2011-07-14
当前申请(专利权)人
SEMICONDUCTOR ENERGY LABORATORY CO., LTD.
发明人
KIMURA, HAJIME
简单同族
JP2008287026A | JP2008287026A5 | JP5542296B2 | US10222653 | US10451924 | US20090002586A1 | US20110170029A1 | US20120229721A1 | US20140016053A1 | US20150146121A1 | US20160370673A1 | US20170343874A1 | US20180335670A1 | US20190258117A1 | US20200150494A1 | US7952651 | US8199267 | US8542330 | US8896776 | US9377660 | US9740070 | US9977286
简单同族成员数量
22
简单同族被引用专利总数
182
诉讼案件数
0
法律状态/事件
授权
抱歉,您的浏览器不支持PDF预览,请点击链接下载PDF文件