专利数据库
统计分析
产业报告
专利数据监控
产业人才
行业动态
产业政策法规
维权援助
个人中心
详情
文本
图像
标题
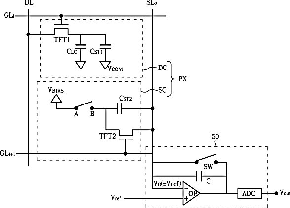
Liquid crystal display panel and related device
授权日
2014-04-08
公开(公告)号
US8692944
申请日
2012-11-06
公开(公告)日
2014-04-08
当前申请(专利权)人
AU OPTRONICS CORP.
发明人
WU, JENG-FANG | HUANG, YI-PAI | CHANG, TING-JUI | LIAO, WEI-LUNG | LIEN, SHUI-CHIH
简单同族
JP2008065302A | JP2011141556A | JP4767899B2 | JP5203474B2 | TW200813532A | TWI331237B | US20080055502A1 | US20110228187A1 | US20110228205A1 | US20130057513A1 | US7978270 | US8345174 | US8520154 | US8692944
简单同族成员数量
14
简单同族被引用专利总数
93
诉讼案件数
0
法律状态/事件
授权 | 权利转移
抱歉,您的浏览器不支持PDF预览,请点击链接下载PDF文件