专利数据库
统计分析
产业报告
专利数据监控
产业人才
行业动态
产业政策法规
维权援助
个人中心
详情
文本
图像
标题
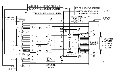
Display driver
授权日
2010-07-20
公开(公告)号
US7760178
申请日
2005-10-21
公开(公告)日
2010-07-20
当前申请(专利权)人
RENESAS ELECTRONICS CORPORATION
发明人
TAKADA, NAOKI | KUDO, YASUYUKI | ERIGUCHI, TAKUYA | AKAI, AKIHITO | OKADO, KAZUO
简单同族
JP2006146134A | JP4738867B2 | KR100741448B1 | KR1020060054134A | TW200638327A | TWI305907B | US20060087483A1 | US7760178
简单同族成员数量
8
简单同族被引用专利总数
85
诉讼案件数
0
法律状态/事件
授权 | 权利转移
抱歉,您的浏览器不支持PDF预览,请点击链接下载PDF文件