专利数据库
统计分析
产业报告
专利数据监控
产业人才
行业动态
产业政策法规
维权援助
个人中心
详情
文本
图像
标题
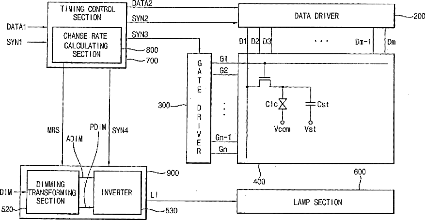
Method of driving a lamp, lamp driving apparatus, and liquid crystal display device having the same
授权日
1900-01-01
公开(公告)号
US20070182701A1
申请日
2007-01-31
公开(公告)日
2007-08-09
当前申请(专利权)人
SAMSUNG DISPLAY CO., LTD.
发明人
KIM, MIN-GYU | JANG, HYEON-YONG
简单同族
JP2007213072A | KR101220520B1 | KR1020070080020A | US20070182701A1 | US7839096
简单同族成员数量
5
简单同族被引用专利总数
55
诉讼案件数
0
法律状态/事件
未缴年费 | 权利转移
抱歉,您的浏览器不支持PDF预览,请点击链接下载PDF文件