专利数据库
统计分析
产业报告
专利数据监控
产业人才
行业动态
产业政策法规
维权援助
个人中心
详情
文本
图像
标题
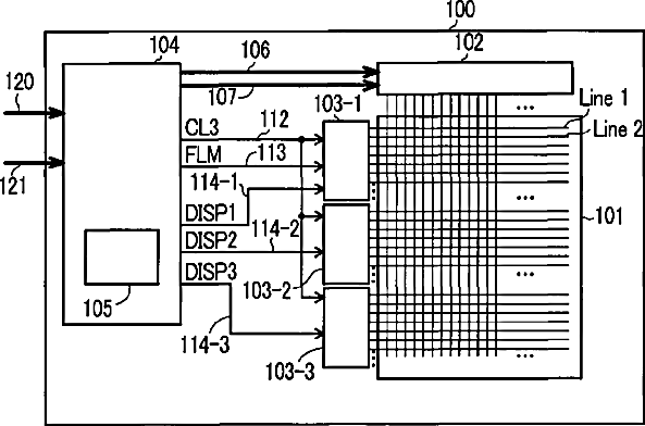
Display device and driving method thereof
授权日
2006-02-28
公开(公告)号
US7006069
申请日
2003-06-26
公开(公告)日
2006-02-28
当前申请(专利权)人
PANASONIC LIQUID CRYSTAL DISPLAY CO., LTD. | HITACHI DISPLAYS, LTD.
发明人
TANAKA, MASAHIRO | NITTA, HIROYUKI | TAKEDA, NOBUHIRO | NAKAMURA, MASASHI
简单同族
CN1470930A | KR100540405B1 | KR1020040002792A | TW200408862A | TWI242666B | US20040027323A1 | US20060139294A1 | US20090243974A1 | US7006069 | US7551157
简单同族成员数量
10
简单同族被引用专利总数
89
诉讼案件数
0
法律状态/事件
授权 | 权利转移
抱歉,您的浏览器不支持PDF预览,请点击链接下载PDF文件