专利数据库
统计分析
产业报告
专利数据监控
产业人才
行业动态
产业政策法规
维权援助
个人中心
详情
文本
图像
标题
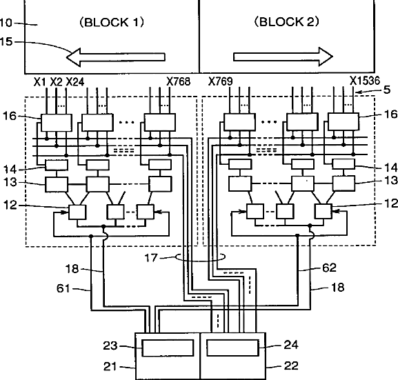
Liquid crystal display device
授权日
2004-01-27
公开(公告)号
US6683603
申请日
2000-12-04
公开(公告)日
2004-01-27
当前申请(专利权)人
MITSUBISHI DENKI KABUSHIKI KAISHA | SEIKO EPSON CORPORATION
发明人
MURAI, HIROYUKI | ISHIGURO, HIDETO
简单同族
CN1167042C | CN1299125A | JP2001166277A | JP3789066B2 | KR100411913B1 | KR1020010062117A | TW530280B | US20010003447A1 | US6683603
简单同族成员数量
9
简单同族被引用专利总数
94
诉讼案件数
0
法律状态/事件
授权 | 权利转移
抱歉,您的浏览器不支持PDF预览,请点击链接下载PDF文件