专利数据库
统计分析
产业报告
专利数据监控
产业人才
行业动态
产业政策法规
维权援助
个人中心
详情
文本
图像
标题
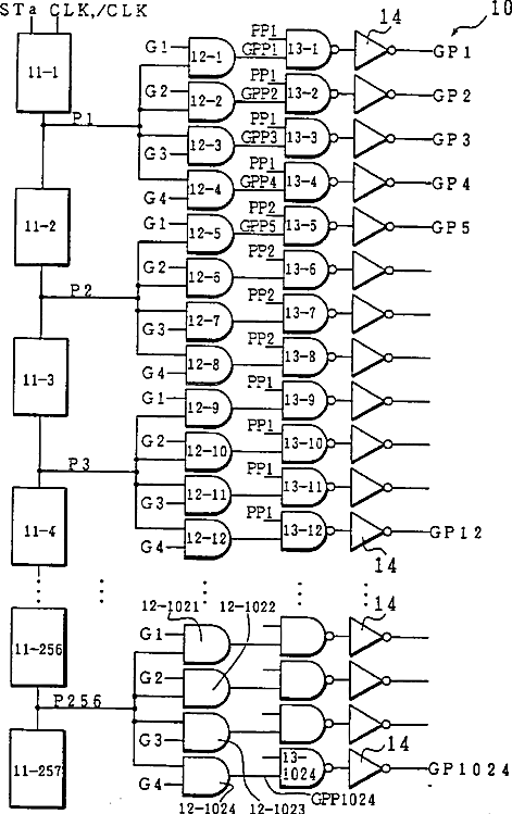
Liquid crystal display device and method of driving same
授权日
1900-01-01
公开(公告)号
US20020163493A1
申请日
2002-06-04
公开(公告)日
2002-11-07
当前申请(专利权)人
SHARP KABUSHIKI KAISHA
发明人
MATSUSHIMA, YASUHIRO | ETOH, SUNAO | TAKAFUJI, YUTAKA
简单同族
US20020163493A1 | US6437766 | US6831625
简单同族成员数量
3
简单同族被引用专利总数
74
诉讼案件数
0
法律状态/事件
期限届满
抱歉,您的浏览器不支持PDF预览,请点击链接下载PDF文件