专利数据库
统计分析
产业报告
专利数据监控
产业人才
行业动态
产业政策法规
维权援助
个人中心
详情
文本
图像
标题
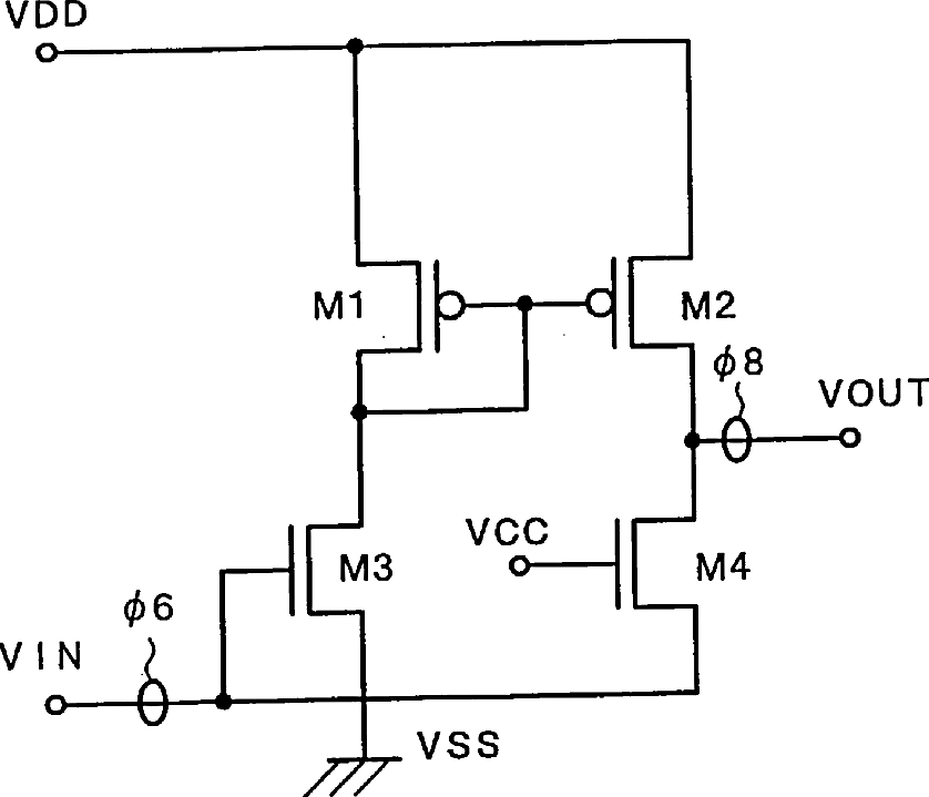
Level converter circuit and a liquid crystal display device employing the same
授权日
1900-01-01
公开(公告)号
US20040004593A1
申请日
2003-06-13
公开(公告)日
2004-01-08
当前申请(专利权)人
PANASONIC LIQUID CRYSTAL DISPLAY CO., LTD.
发明人
OKUMURA, HARUHISA | ODE, YUKIHIDE
简单同族
JP2001237688A | JP2001237688A5 | JP3734664B2 | KR100420455B1 | KR1020010100794A | TW594632B | US20010017609A1 | US20040004593A1 | US20060077198A1 | US20080273001A1 | US6593920 | US6995757 | US7408544 | US8159486
简单同族成员数量
14
简单同族被引用专利总数
84
诉讼案件数
0
法律状态/事件
授权 | 权利转移
抱歉,您的浏览器不支持PDF预览,请点击链接下载PDF文件